
Assembly
Parts in Kit
MC542 Parts
MX45554a
Qty.
|
Description
|
2
|
Tube, Canopy Top (A)
|
2
|
Tube, Canopy End (B)
|
1
|
Chute (C)
|
1
|
Rod, Hose Support (D)
|
1
|
Bracket, Front (E)
|
1
|
Towbar, Rear (F)
|
1
|
Towbar, Tongue (G)
|
1
|
Handle, Bed Release (H)
|
1
|
Handle, Rear (I)
|
1
|
Engine/Blower Assembly (J)
|
1
|
Bracket, Lock (K)
|
2
|
Bracket, Side (L)
|
1
|
Stop Bracket (N)
|
1
|
Bracket, Gas Spring (M)
|
1
|
Canopy
|
2
|
Baffle
|
1
|
Rod, Threaded
|
1
|
Hose, Blower
|
1
|
Gas Spring
|
1
|
Cable
|
2
|
Clamp, Hose, 8 in.
|
1
|
Bungee Cord, 36 in.
|
Parts in Bag 1007266
Qty.
|
Description
|
2
|
Bolt, 5/16x3/4 in.
|
1
|
Bolt, 5/16x4 in.
|
1
|
Bolt, 3/8x3-1/2 in.
|
1
|
Bolt, 1/2x1 in.
|
4
|
Washer, Flat, 5/16 in.
|
5
|
Locknut, 5/16 in.
|
1
|
Locknut, 3/8 in.
|
1
|
Locknut, 1/2 in.
|
2
|
Ball Stud
|
1
|
Spring, Latch
|
Parts in Bag 1007267
MX45566
Qty.
|
Description
|
1
|
Switch Bracket, Towbar (A)
|
1
|
Switch Bracket, Blower Housing (B)
|
2
|
Switch (C)
|
1
|
Pivot Plate (D)
|
2
|
Backing Plate
|
1
|
Wire Harness, Engine
|
1
|
Vinyl Grip
|
4
|
Bolt, Carriage, 1/4x1-1/4 in.
|
4
|
Screw, Round Head, #10x3/4 in.
|
1
|
Bolt, 1/4x2-1/4 in.
|
4
|
Locknut, 1/4 in.
|
4
|
Locknut, #10
|
1
|
Locknut, Metal, 1/4 in.
|
1
|
Tie Strap
|
Parts in Bag Z-1820-B
Qty.
|
Description
|
3
|
Screw, Round Head, 5/16x1-1/4 in.
|
6
|
Washer, Flat, 5/16 in.
|
3
|
Lockwasher, 5/16 in.
|
3
|
Nut, 5/16 in.
|
Parts in Bag Z-1953
Qty.
|
Description
|
7
|
Bolt, Carriage, 1/4x1-1/2 in.
|
4
|
Bolt, 1/4x1-1/2 in.
|
6
|
Bolt, 5/16x1-1/2 in.
|
5
|
Bolt, 5/16x2 in.
|
2
|
Bolt, 5/16x2-1/4 in.
|
2
|
Bolt, 5/16x2-1/2 in.
|
2
|
Nut, 5/16 in.
|
13
|
Washer, Flat, 1/4 in.
|
13
|
Washer, Flat, 5/16 in.
|
1
|
Bracket, Quik Link
|
1
|
Link, Quik, 3/16 in.
|
14
|
Locknut, 1/4 in.
|
17
|
Locknut, 5/16 in.
|
11
|
Clip, Canopy
|
2
|
Spacer
|
4
|
Washer, Fender, 5/16 in.
|
Boot Kit Parts
NOTE: Installation of the MC542 will require one of four available Boot Kits to complete the installation:
• LP23080 - 48 in. Deck
• LP23081 - 54 in. Deck
• LP23082 - 60 in. Deck
• LP23083 - 62 in. Deck
The bag of parts provided is universal to all boot kits available and contains hardware that will not be used in every application.
MX45546
Qty.
|
Description
|
1
|
Bracket, Deck Boot
• 48, 54, 62 in. (A)
• 60 in. (B)
|
1
|
Deck Boot (C)
|
2
|
Bolt, Carriage, 5/16x3/4 in.
|
3
|
Bolt, Carriage, 5/16x1-1/4 in.
|
1
|
Bolt, Hex Head, 1/4x1 in.
|
3
|
Nut, 5/16 in.
|
2
|
Washer, Flat, 1/4 in.
|
7
|
Washer, Flat, 5/16 in.
|
1
|
Locknut, 1/4 in.
|
5
|
Locknut, 5/16 in.
|
NOTE: Retain these installation instructions with the machine operator’s manual.
Prepare 17P Cart
NOTE: These assembly instructions were created to assemble the MC542 Material Collection System (MCS) to a Model 17P Utility Cart that has been previously assembled. These procedures involve certain cart components that will require removal and replacement.
To avoid confusion with assembly procedures if the 17P cart has not yet been assembled, review this ASSEMBLY section completely before beginning cart assembly.
NOTE: The cart is prepared using hardware in the Z-1820-B parts bag.
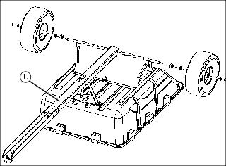
MX45467
1. Remove retaining ring (A), washer (B), wheel, washer (C) and spacer (D) from each side of cart and set aside.
2. Remove clevis (E) and clevis hardware from towbar and set aside.
3. Remove axle (F) and towbar (G) from cart. Set axle aside and save towbar for reuse (Permanent MC542 removal).
4. Remove lock bracket hardware and lock bracket (H). Save for reuse (Permanent MC542 removal).
MX45468b
5. Position gas spring bracket (I) on bottom of bed, aligning the outer mounting holes with those in the bed. Mark the location of the center bracket hole (J) on the bed and remove the bracket.
6. Drill a 8.7 mm (11/32 in.) hole in the bed at the marked location.
7. Position the gas spring bracket and lock bracket from the kit on the bed. Secure both brackets to bed using one 5/16x1-1/4 in. round head screw (K), two 5/16 in. flat washers (L), one 5/16 in. lockwasher (M) and one 5/16 in. nut (N) at each of three locations.
Install Towbar
NOTE: The towbar is assembled and installed using hardware in the 1007266 and 1007267 part bags.
MX45469
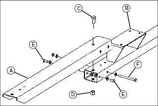
1. Assemble towbar tongue (A) to rear towbar (B) and secure as follows:
a. Loosely install one 1/2x1 in. bolt (C) and one 1/2 in. locknut (D).
b. Loosely install two 5/16x3/4 in. bolts (E), two 5/16 in. flat washers and two 5/16 in. locknuts.
c. Loosely install one 5/16x4 in. bolt (F), two 5/16 in. flat washers and one 5/16 in. locknut.
d. Tighten all hardware securely.
MX45470
2. Install switch (G) to towbar switch bracket (H) using two #10x3/4 in. screws (I) and two #10 locknuts (J).
MX45555a
3. Position towbar switch bracket (K) with switch on towbar. Install a 3/8x3-1/2 bolt (L) through the switch bracket, towbar, bed release handle (M) and opposite side of towbar and secure with a 3/8 in. locknut (N).
MX45525
4. Install latch spring (O) on bed release handle (P) and towbar tab (Q).
MX45526
5. Install clevis (R) on towbar tongue (A) with original hardware. (The clevis was removed earlier from original towbar.)
6. Install clevis pin (S) and spring locking pin (T) in towbar.
MX45527
7. Position towbar assembly (U) on bed and install axle and wheels with original hardware removed earlier.
8. Turn cart over and rest on wheels.
MX45528
9. Install one ball stud (V) on towbar (W) and secure with a 5/16 in. locknut (X).
10. Install one ball stud (Y) on bed (Z) and secure with a 5/16 in. locknut (aa).
MX45529
11. Tilt bed and install gas spring (bb) on ball studs.
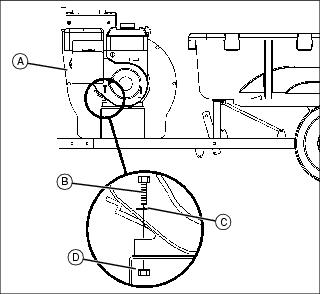
Install Blower Assembly
IMPORTANT: Avoid damage! Machine is shipped without oil in the engine. Oil must be added to the proper level before starting engine.
|
NOTE: The blower assembly is installed using hardware from the Z-1953 and 1007267 part bags.
MX45530
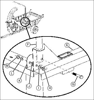
1. Install engine and blower assembly (A) on towbar using four 5/16x1-1/2 in. bolts (B), four 5/16 in. flat washers (C) and four 5/16 in. locknuts (D).
MX45531
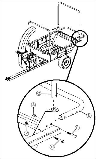
2. Install chute (E) on blower housing using one 1/4x1-1/2 in. carriage bolt (F), one 5/16 in. fender washer (G), one 1/4 in. flat washer (H) and one 1/4 in. locknut (I) in each of three locations.
MX45542a
3. Position blower housing switch bracket (J) on blower housing (K) and secure using two 1/4x1-1/4 in. carriage bolts (L), one backing plate (M) and two 1/4 in. locknuts (N).
MX45567
4. Position pivot plate (O) in blower housing switch bracket as shown and secure using one 1/4x2-1/4 in. bolt (P) and one 1/4 in. metal locknut (Q).
5. Install switch (R) on blower housing switch bracket using two #10x3/4 in. screws (S) and two #10 locknuts (T).
MX45553
6. Install engine wiring harness as follows:
a. Remove existing bolt (U) on the engine. Place the wiring harness ring terminal on the bolt and install bolt in the original location. Tighten bolt securely.
b. Attach connector on harness single wire (V) to mating connector on engine wire.
c. Attach connector on long harness lead (W) to switch on blower inlet housing.
d. Attach connector on short harness lead (X) to switch on towbar.
e. Secure harness and all loose wires to blower back plate (Y) with a tie strap.
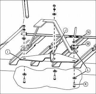
Install Canopy Frame
NOTE: The canopy frame is installed using hardware from the 1007267 and Z-1953 part bags.
MX45532
1. Install front bracket (A) on bed and secure using one 1/4x1-1/2 in. bolt (B), two 1/4 in. flat washers (C) and one 1/4 in. locknut (D) in each of four holes on bracket.
MX45533
2. Place one side bracket (E) on each side of bed. Insert a canopy end tube (F) into both side brackets at front of cart.
3. Insert one 5/16x2-1/4 in. bolt (G) through the canopy end tub. Thread the bolt through a 5/16 in. nut (H), 5/16 in. flat washer (I), side bracket, spacer (J), and front bracket (K). Secure with a 5/16 in. flat washer (L) and 5/16 in. locknut (M). Repeat on opposite side.
MX45534
4. Position rear handle (N) on rear of bed, on inside of side brackets. Attach handle to rear flange of side brackets using one 5/16x1-1/2 in. bolt (O) and one 5/16 in. locknut (P) on each side.
5. Insert the second canopy end tube (Q) into the rear flange of the side brackets and secure using one 5/16x2-1/2 in. bolt (R) and one 5/16 in. locknut (S) on each side.
MX45535
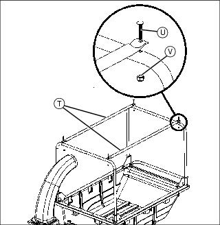
6. Position two top canopy tubes (T) on canopy end tubes and secure using four 1/4x1-1/2 in. carriage bolts (U) and four 1/4” locknuts (V).
MX45536
7. Install baffle (W) on left canopy frame using two 5/16x2 in. bolts (X) and two 5/16 in. locknuts (Y). Tighten hardware to allow baffle to rotate freely. Repeat to install second baffle on right canopy frame.
MX45537a
8. Install vinyl grip (Z) on end of stop bracket (aa). Position stop bracket on chute and loosely install two 1/4x1-1/4 in. carriage bolts (bb), one backing plate (cc), and two 1/4 in. locknuts (dd).
9. Position the center of the stop bracket vinyl grip (Z) to align with the top canopy tube and tighten the stop bracket hardware securely.
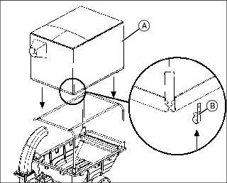
Install Canopy
NOTE: The canopy is installed using hardware from the Z-1953 part bag.
MX45538
1. Slide canopy (A) on the canopy tube frame and position canopy inlet on chute. Secure the sides and front of the canopy under the front and side brackets using four canopy clips (B) evenly across each side and three canopy clips across the front.
MX45539
2. Install threaded rod (C) through rear end brackets, rear handle and down channel on rear of canopy. Install one 5/16 in. locknut (D) equally on each side of the rod and tighten until snug.
MX45540a
3. Install quik link bracket on canopy and canopy frame as follows:
a. Locate the top center hole in front frame tube. Using an ice pick or similar tool, poke a hole through canopy only large enough for the 5/16x2 in. bolt (E) to fit through.
b. Position the quik link bracket (F) over the hole and insert the 5/16x2 in. bolt (E) with 5/16 in. flat washer (G) through the bracket, canopy and canopy frame.
c. Install the 5/16 in. fender washer (H) and 5/16 in. locknut (I) on the bolt and tighten securely.
MX45541a
4. Install quick link (J) on quik link bracket. Install one end of cable (K) on quick link. Install the opposite end of cable on exposed bolt on chute bracket using two 1/4 in. flat washers (L) and one 1/4 in. locknut (M).
Assemble Boot Kit - 48, 54, 62 in. Mower Decks
NOTE: The boot kit is assembled using hardware supplied with the kit.
MX45547
1. Install three 5/16x1-1/4 in. carriage bolts (A) in deck boot bracket (B) and secure with three 5/16 in. nuts (C).
MX45548
2. Install three 5/16 in. flat washers (D) on deck bracket bolts.
3. Install deck boot on bracket bolts and secure with three 5/16 in. flat washers and three 5/16 in. locknuts (E).
Assemble Boot Kit - 60 in. Mower Deck
NOTE: The boot kit is assembled using hardware supplied with the kit.
MX45550
1. Install three 5/16x1-1/4 in. carriage bolts (A) in deck boot bracket (B) and secure with three 5/16 in. nuts (C).
MX45551
2. Install three 5/16 in. flat washers (D) on deck bracket bolts.
3. Install deck boot on bracket bolts and secure with three 5/16 in. flat washers and three 5/16 in. locknuts (E).
Install Blower Hose
MX45543
1. Install blower hose (A) on blower housing inlet, under switch pivot plate (B) and secure with 8 in. hose clamp (C).
MX45545
2. Install hose support rod (D) in socket (E) on blower housing.
3. Secure blower hose on support rod using a 36 in. bungee cord (F).
Add Engine Oil
IMPORTANT: Avoid damage! Machine is shipped without oil in the engine. Oil must be added to the proper level before starting engine.
|
1. Raise towbar and block in a level position.
2. Remove dipstick and add oil to the proper level. (See Checking Engine Oil in the SERVICE section.)
Check Machine Safety System
Perform safety system check to ensure that the two safety switches are functioning properly. (See Testing Safety Switches in the OPERATING section.)
|