
Service Engine
Engine Warranty Maintenance Statement
Maintenance, repair, or replacement of the emission control devices and systems on this engine, which are being done at the customer’s expense, may be performed by any non-road engine repair establishment or individual. Warranty repairs must be performed by an authorized John Deere dealer.
Avoid Fumes
c CAUTION: Avoid injury! Engine exhaust fumes contain carbon monoxide and can cause serious illness or death.
• Move the machine to an outside area before running the engine.
• Do not run an engine in an enclosed area without adequate ventilation.
• Connect a pipe extension to the engine exhaust pipe to direct the exhaust fumes out of the area.
• Allow fresh outside air into the work area to clear the exhaust fumes out.
|
Engine Oil - Diesel
Use oil viscosity based on the expected air temperature range during the period between oil changes.
The following John Deere oils are preferred:
• PLUS-50™
• TORQ-GARD SUPREME™
Other oils may be used if above John Deere oils are not available, provided they meet the following specification:
• API Service Classification CH or higher
• ACEA Specification E3 or higher
Checking Engine Oil Level
IMPORTANT: Avoid damage! Failure to check the oil level regularly could lead to serious engine problems if oil level is out of the operating range:
• Check oil level before operating.
• Check oil level when the engine is cold and not running.
• Keep oil level between the dipstick marks.
• Shut off engine before adding oil.
|
NOTE: Check oil twice a day if you run engine over 4 hours in a day.
Make sure engine is cold when checking engine oil level.
1. Park machine safely. (See Parking Safely in the SAFETY Section).
2. Allow engine to cool.
3. Open hood.
4. Clean area around dipstick prior to removing it.
DM2006
5. Remove dipstick (A). Wipe it clean.
6. Install dipstick.
7. Remove dipstick and check oil level. Oil level should be between low and high marks on dipstick.
• If oil is low, add oil to bring oil level no higher than the “H” high mark on dipstick.
• If oil level is above the “H” high mark, drain to proper level.
IMPORTANT: Avoid damage! To prevent extensive engine wear or damage, always maintain the proper engine oil level. Never operate the engine with the oil level below the add mark or over the full mark.
|
8. Install dipstick.
9. Close hood.
Changing Engine Oil and Filter
c CAUTION: Avoid injury! Touching hot surfaces can burn skin. The engine, components, and fluids will be hot if the engine has been running. Keep hands and body away from hot surfaces when servicing or working near the engine and components.
|
IMPORTANT: Avoid damage! Change the oil more often if the vehicle is used in extreme conditions:
• Extremely dusty conditions.
• Frequent slow or low-speed operation.
• Frequent short trips.
|
1. Run engine to warm oil.
2. Park machine safely. (See Parking Safely in the Safety section).
DM2016
3. Put container under drain bolt (A).
4. Remove drain bolt.
5. Allow oil to drain into a container with at least 3.6 L (3.8 qt) capacity.
6. Install drain bolt.
7. Open hood.
DM2006
8. Remove oil filter (B). Turn filter counter-clockwise to remove.
9. Apply a film of clean engine oil on gasket of new filter.
10. Install filter. Turn filter clockwise until gasket makes contact with mounting surface. Tighten 1/2 to 3/4 turn after gasket contact.
11. Clean area around the oil fill cap (C) and oil dipstick.
12. Unscrew and remove the oil fill cap.
13. Add approximately 3.6L (3.8 qt) of oil.
14. Close hood.
15. Install and tighten oil fill cap.
16. Start engine and run at slow throttle for approximately two minutes. Check for leaks around filter and drain plug.
17. Stop engine.
18. Check engine oil level.
Cleaning Pump Drive Blower Fan
c CAUTION: Avoid injury! Compressed air can cause debris to fly a long distance.
• Clear work area of bystanders.
• Wear eye protection when using compressed air for cleaning purposes.
• Reduce compressed air pressure to 210 kPa (30 psi).
|
1. Park machine safely. (See Parking Safely in the Safety section.)
2. Lift and secure operator seat in the raised position.
DM2072
3. Clean fan (A) with a rag, brush or compressed air.
4. Lower seat.
Cleaning Engine Cooling Fins
c CAUTION: Avoid injury! Compressed air can cause debris to fly a long distance.
• Wear eye protection when cleaning with compressed air.
• Clear the area of bystanders.
• Reduce compressed air pressure to 210 kPa (30 psi).
|
IMPORTANT: Avoid damage! The engine requires a large amount of air intake when running. Reduced air intake can cause overheating:
• Keep air intake screen and cooling fins clean.
• Keep covers and screens in place.
• A warning sound will be heard if engine is too hot. Stop engine and determine problem.
|
DM2015
1. Park machine safely. (See Parking Safely in the Safety section.)
2. Open hood.
3. Blow compressed air to clean the radiator from the inside (See arrow).
4. Clean rear of radiator with brush.
5. Clean fins with a brush or compressed air.
6. Clean intake screens from inside and outside.
7. Close the hood.
Servicing Air Cleaner Elements
IMPORTANT: Avoid damage!
• When operating the machine in extreme heat, dust or other severe conditions, check the air restriction indicator daily.
• Never run the engine without the air cleaner elements installed.
• Do not wash the paper elements.
• Do not attempt to clean paper element by tapping against another object.
• Do not use pressurized air to clean element.
|
Primary Air Cleaner Element
1. Park machine safely. (See Parking Safely in the Safety section.)
2. Allow engine to cool.
3. Open the hood.
MX7012
4. Release spring latches (A), and unhook latches from air cleaner housing.
MX7013
5. Remove air cleaner cover (B).
6. Remove and discard primary element (C).
7. Install new primary element.
8. Install air cleaner cover, making sure the word “TOP” is facing upwards.
9. Reset air restriction indicator.
10. Start engine and run at high idle for one minute.
11. Stop engine. Check air restriction indicator:
• If indicator window remains yellow, air cleaner is ready for operation.
• If indicator window has turned red, change secondary air filter element.
Secondary Air Filter Element
1. Remove air cleaner cover.
2. Remove primary air cleaner element.
MX7014
3. Remove and discard secondary element (A).
4. Install a new secondary element.
5. Install air cleaner cover, making sure the word “TOP” is facing upwards.
6. Close the hood.
Cleaning Dust Unloading Valve
IMPORTANT: Avoid damage! Do not operate engine without air cleaner element and rubber dust unloading valve installed.
|
1. Park the vehicle safely. (See Parking Safely in the SAFETY section.)
2. Allow engine to cool.
3. Access the engine compartment.
MX22502
4. Squeeze dust unloading valve (A) to clean. Remove and replace if damaged.
Checking Air Filter Restriction Indicator
1. Park machine safely. (See Parking Safely in the Safety section.)
2. Open the hood.
NOTE: Indicator will not function correctly if plastic indicator housing is damaged.
MX7017
3. Check air restriction indicator (A).
• When the indicator window (B) is yellow, no air cleaner service is required.
• When the indicator window is red, air cleaner element needs replacement.
• Vacuum scale (C) on indicator shows how restricted the air cleaner elements are becoming.
4. Depress the rubber button (D) on top of the housing to reset indicator.
5. Close the hood.
Service Cooling System Safely
TS281
c CAUTION: Avoid injury! The radiator will be hot and can burn skin. Built-up pressure may cause explosive release of coolant when the radiator cap is removed:
• Shut off the engine and allow to cool.
• Do not remove the cap unless the radiator and the engine are cool enough to touch with bare hands.
• Slowly loosen the cap to the first stop to release all pressure. Then remove the cap.
|
Recommended Engine Coolant
IMPORTANT: Avoid damage! Using incorrect coolant mixture can cause overheating and damage to the radiator and engine:
• Do not operate engine with plain water.
• Do not exceed a 50% mixture of coolant and water.
• Aluminum engine blocks and radiators require approved ethylene-glycol based coolant.
|
The engine cooling system is filled to provide year-round protection against corrosion and cylinder liner pitting, and winter freeze protection to -37 degrees C (-34 degrees F). If protection at lower temperatures is required, consult your John Deere dealer for recommendations.
The following coolants are preferred:
• John Deere COOL-GARD™ II Premix
• John Deere COOL-GARD™ Premix
• John Deere COOL-GARD™ PG Premix
John Deere COOL-GARD™ II Premix and John Deere COOL-GARD™ Premix are available in a concentration of 50% propylene glycol.
John Deere COOL-GARD™ PG Premix is available in a concentration of 55% propylene glycol.
Additional recommended coolants:
• John Deere COOL-GARD™ II Concentrate in a 40% to 60% mixture of concentrate with water.
• John Deere COOL-GARD™ Concentrate in a 40% to 60% mixture of concentrate with water.
If the recommended coolants are unavailable, use an ethylene glycol or propylene glycol base coolant that meets the following specification:
• ASTM D3306 prediluted (50%) coolant.
• ASTM D3306 coolant concentrate in a 40% to 60% mixture of concentrate with water.
Check container label before using to be sure it has the appropriate specifications for your machine. Use coolant with conditioner or add conditioner to coolant before using.
Water Quality
• Water quality is important to the performance of the cooling system. Distilled, deionized, or demineralized water is recommended with ethylene glycol base engine coolant concentrate.
Checking Coolant Level
c CAUTION: Avoid injury! Explosive release of fluids from pressurized cooling system can cause serious burns:
• Shut off engine.
• Add coolant to radiator only when expansion tank is completely empty.
• Only remove filler cap when radiator is cool enough to touch with bare hands. Slowly loosen cap to first stop to relieve pressure before removing completely.
|
IMPORTANT: Avoid damage!
• Do not operate engine without coolant.
• Do not pour coolant into the radiator when the engine is hot.
|
1. Park machine safely. (See Parking Safely in the Safety section.)
2. Open hood.
3. Check coolant level:
DM2039
• If engine is cold, coolant should be between minimum and maximum level (A).
4. If coolant is low remove cap (B) and add coolant.
5. Install and tighten cap.
6. Clean debris from air intake screen and radiator.
7. Check condition of hoses. Check for leaks or loose connections.
8. Close hood.
Draining Cooling System
c CAUTION: Avoid injury! Explosive release of fluids from pressurized cooling system can cause serious burns:
• Shut off engine.
• Add coolant to radiator only when expansion tank is completely empty.
• Only remove filler cap when radiator is cool enough to touch with bare hands. Slowly loosen cap to first stop to relieve pressure before removing completely.
|
1. Stop engine and lock parking brake.
2. Open hood. Let engine cool.
3. Remove radiator cap.
DM2963
4. Place a drain pan with at least 7.1 L (7.5 qt.) capacity under the radiator drain plug (A).
5. Open drain plug.
6. Close drain plug after all coolant is drained.
7. Remove cap from expansion tank.
DM2093
8. Move expansion tank (B) upward. Remove expansion tank and empty.
9. Install coolant tank and fill cooling system.
10. Close hood.
Flushing Cooling System
IMPORTANT: Avoid damage!
• Do not operate engine without coolant.
• Do not pour coolant into the radiator when the engine is hot.
|
1. Drain cooling system completely.
2. Fill cooling system with clean water and cooling system cleaner. Follow directions on can.
3. Fill coolant tank 1/3 full.
4. Install and tighten radiator cap and coolant tank cap.
5. Start and run engine until operating temperature is reached.
DM2963
6. Open radiator drain cock (A). Drain the cooling system immediately before rust and dirt settles.
7. Close drain cock.
8. Fill cooling system.
Filling Cooling System
1. Fill cooling system. For cold weather, use a solution of only ethylene glycol antifreeze (without a stop-leak additive) and clean, deionized or distilled water.
2. Install cap and tighten.
3. Run engine until operating temperature is reached.
4. Stop engine. After engine cools, check coolant level in coolant tank. Add if necessary.
5. Check condition of coolant system hoses. Install new hoses periodically. Tighten hose clamps regularly.
Bleeding Cooling System
No bleeding required. Cap releases redundant air.
Servicing Belt
Checking Belt
c CAUTION: Avoid injury! Rotating parts can catch fingers, loose clothing, or long hair. Wait for engine and all moving parts to stop before leaving operator’s station to adjust or service machine.
|
IMPORTANT: Avoid damage! DO NOT allow oil to come in contact with belt. Belt will slip if contaminated with oil.
If a squealing sound is heard, the tension of the belt is not correct.
|
1. Park machine safely. (See Parking Safely in the Safety section).
2. Allow engine to cool.
3. Open hood.
4. Check belt for wear.
• Inspect belt for excessive wear, damage or stretching while mounted on engine.
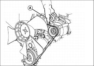
DM1134
• Check belt deflection using thumb (A). Compare to specification.
• If deflection is not within specification, perform Adjustment Procedure.
5. Close hood.
Specifications:
Alternator Drive Belt Deflection 10-15 mm (0.40-0.60 in.)
Adjusting Belt
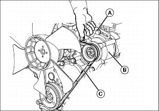
DM1134
1. Open hood.
2. Loosen screw (A).
3. Apply force to the alternator housing (B) until tension is correct.
4. Tighten screw (A).
Replacing Belt
1. Loosen screw (A).
2. Change belt (C).
3. Adjust alternator (B) until belt tension is correct.
4. Tighten screw (A).
5. Close hood.
6. Start engine.
Replacing Fuel Filter
c CAUTION: Avoid injury! Fuel vapors are explosive and flammable:
• Do not smoke while handling fuel.
• Keep fuel away from flames or sparks.
• Shut off engine before servicing.
• Cool engine before servicing.
• Work in a well-ventilated area.
• Clean up spilled fuel immediately.
|
IMPORTANT: Avoid damage! When installing a new fuel filter, the filter arrow must be pointed in the direction of the fuel flow.
|
NOTE: Change filter when fuel is low.
1. Park machine safely. (See Parking Safely in the Safety section).
2. Allow engine to cool.
DM2065
3. Slide hose clamps (A) away from fuel filter (B).
4. Place a drain pan under hose (C) to catch any fuel that may be left in the hoses.
5. Disconnect hoses from fuel filter.
6. Install new fuel filter.
• Make sure fuel filter is installed with arrow pointing in direction of fuel flow.
7. Connect hoses to new fuel filter.
8. Install hose clamps.
Checking Water Separator Bowl
c CAUTION: Avoid injury! Fuel vapors are explosive and flammable:
• Do not smoke while handling fuel.
• Keep fuel away from flames or sparks.
• Shut off engine before servicing.
• Cool engine before servicing.
• Work in a well-ventilated area.
• Clean up spilled fuel immediately.
|
DM1135 / DM2109
1. Park machine safely. (See Parking Safely in the Safety section.)
2. Allow engine to cool.
3. Open hood.
4. Check for water in water separator bowl (A).
• Red ring (B) will float on water.
5. If necessary, drain water with cock (C) or clean bowl and replace filter.
NOTE: Tighten water separator bowl collar to 15-20 N•m (11-15 lb-ft).
6. Close hood.
|