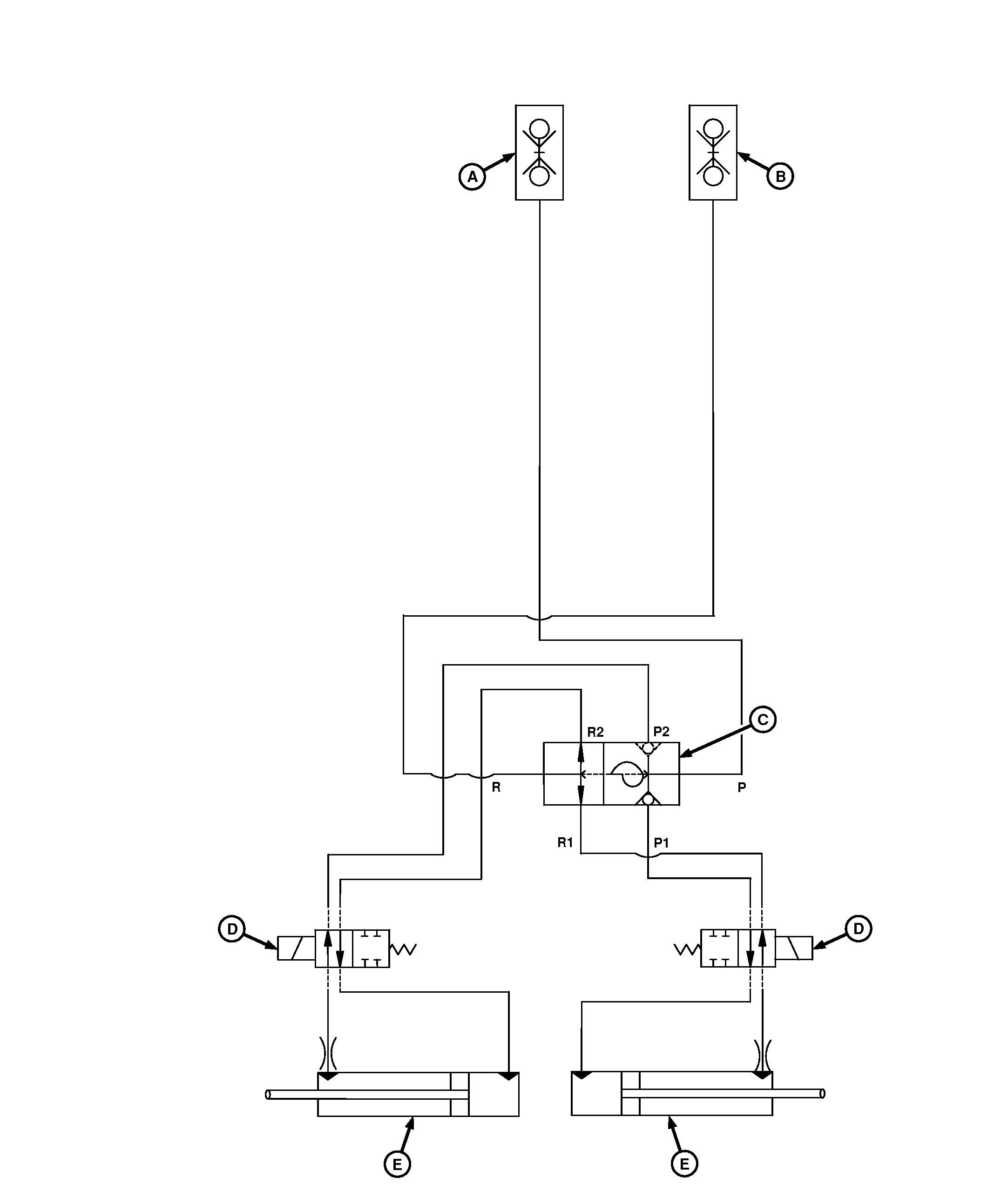
Track Marker and Wing Fold Hydraulic Diagram—3 m (10 ft) Drill

A90470
A90470-UN-11MAY16

A - SCV Coupler (Raise)

B - SCV Coupler (Lower)

C - Sequence Valve for Track Marker

D - Solenoid Valves

E - Track Marker Cylinders


BB83525,000035E-19-20160511