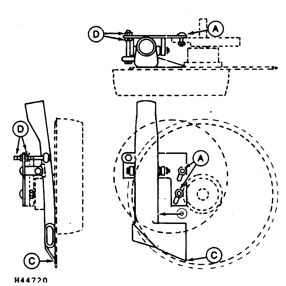
Adjusting Cast Spout

1. Adjust arm pivot so point of scraper (B) is inside the inside diameter of the beveled edge on disk (C) as illustrated. Tighten bolts (A).

2. Adjust preload of arm pivot scraper against opener blade with two nuts (D).

IMPORTANT: Scraper should "drag" on opener disk (C).


A-Bolt
B-Scraper
C-Disk
D-Nuts

H44720
A35170

7200OM,FR,AT,K7 -19-24APR97-1/1