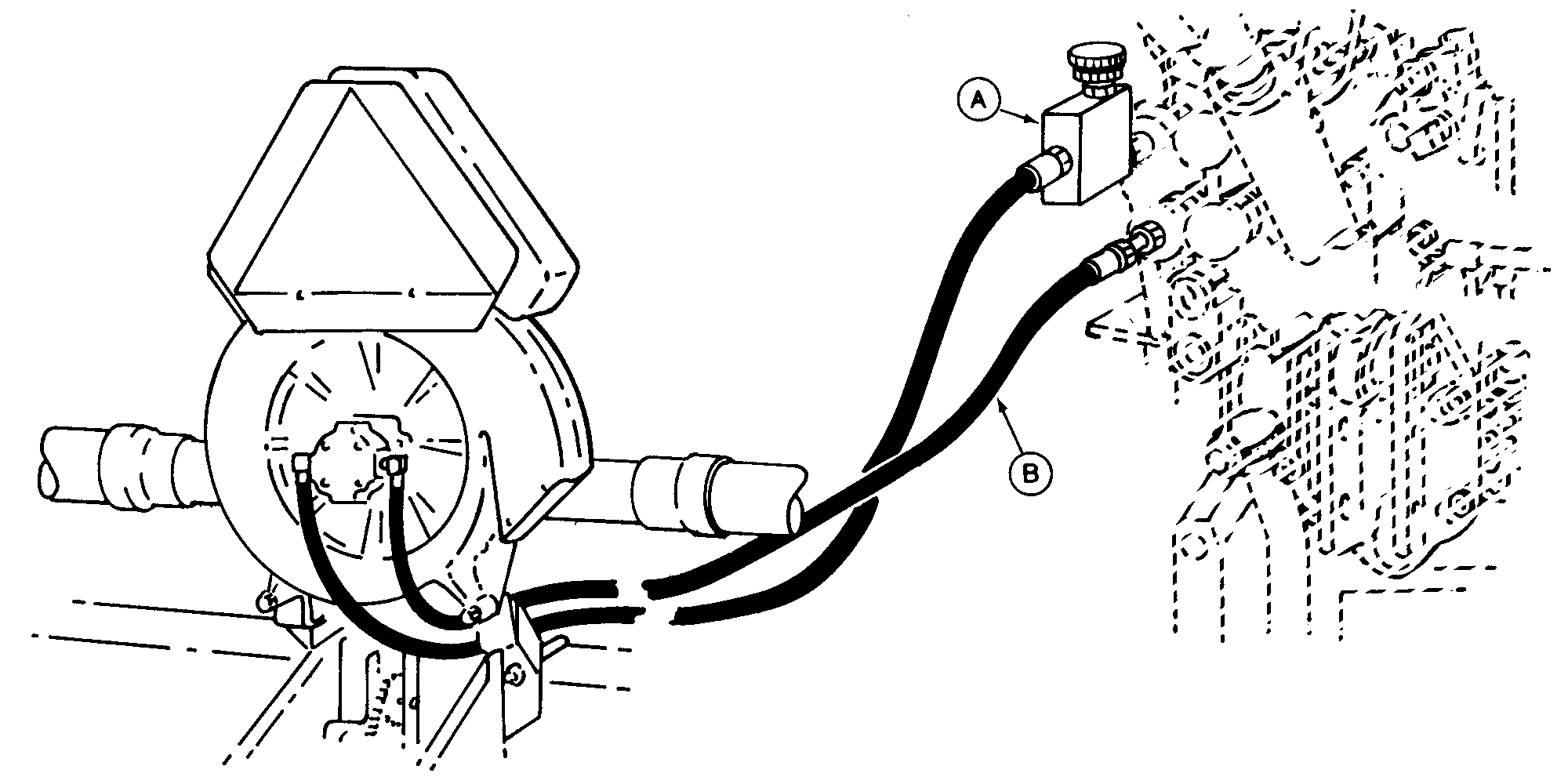
Hookup for VacuMeter Using Flow Control Valve to Control Blower Speed

A36986

200 Series Standard SCV Shown

causym CAUTION: Hydraulic hoses can fail due to physical damage, kinks, age and exposure. Check hoses regularly. Replace damaged hoses.

IMPORTANT: Damage to blower motor may occur if hoses are assembled incorrectly. Check hydraulic connections before operating vacuum motor.

NOTE: If the tractor has a standard (200 Series) SCV, you must use the vacuum control valve on the planter.

Insert flow control valve (A) into top left-hand side of SCV as illustrated. Insert return hose (B) into lower left-hand of SCV as illustrated.

To operate the system, set SCV control to motor position (continuous detent). Set SCV flow control to rabbit (fast). Flow control valve (A) will be used to control vacuum level.

SCV lever should be in "retract" for running and "float" for off. The motor has an over-running check valve to protect seals if accidentally put in neutral.

OM56570A,D -19-24APR97-1/1