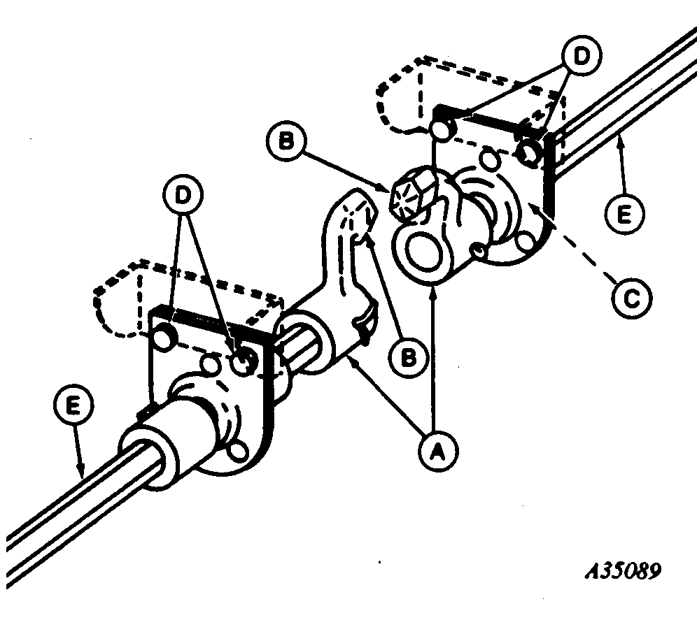
Aligning Countershaft Wing Coupler

It may be necessary to align couplers (A). The FLAT surfaces (B) on the SIDES of the couplers should be touching and in alignment. To align the couplers, proceed as follows:

Add or remove flat washers (C) to align FLAT surfaces (B) laterally.

Loosen bolts (D) and align shafts (E).

After maximum alignment is obtained on surfaces (B) and shafts are in alignment, tighten bolts (D).


A-Couplers
B-Surfaces, Flat
C-Washers, Flat
D-Bolts
E-Shafts

A35089

A54960,AK -19-08MAY97-1/1