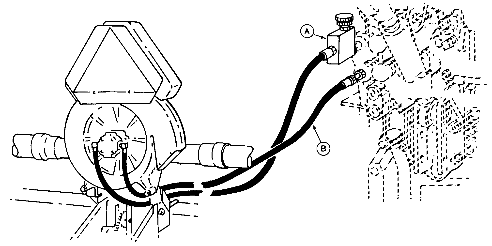
Connecting VACUMETER™ Using Planter Flow Control Valve to Control Motor-6000 Series Tractors

A36986

Using Deluxe 300 Series SCV

 

A-Planter Flow Control Valve

B-Return Hose

 

IMPORTANT: Damage to blower motor will occur if hoses are connected incorrectly. Check hydraulic connections before operating vacuum motor. See CHECKING HYDRAULIC CONNECTIONS in Preparing the Vacuum Meter section.

NOTE: For non John Deere tractors, see dealer for vacuum motor hook-up.

1. Insert pressure hose with planter flow control valve (A) into top port of SCV or mount assembly on cab.

NOTE: Return hose must be equipped with a return coupler with cap.

2. Insert return hose (B) with special tip into bottom port of SCV or motor return port.

IMPORTANT: Do not return SCV lever to neutral to shut off vacuum, to prevent damage to motor.

Push SCV lever forward into detent position for running and push forward into "float" to shut off vacuum .

The tractor flow control must be set to maximum and planter flow control valve (A) used to control vacuum level.

VACUMETER is a trademark of Deere & Company

OUO6074,000028C -19-15MAR01-1/1