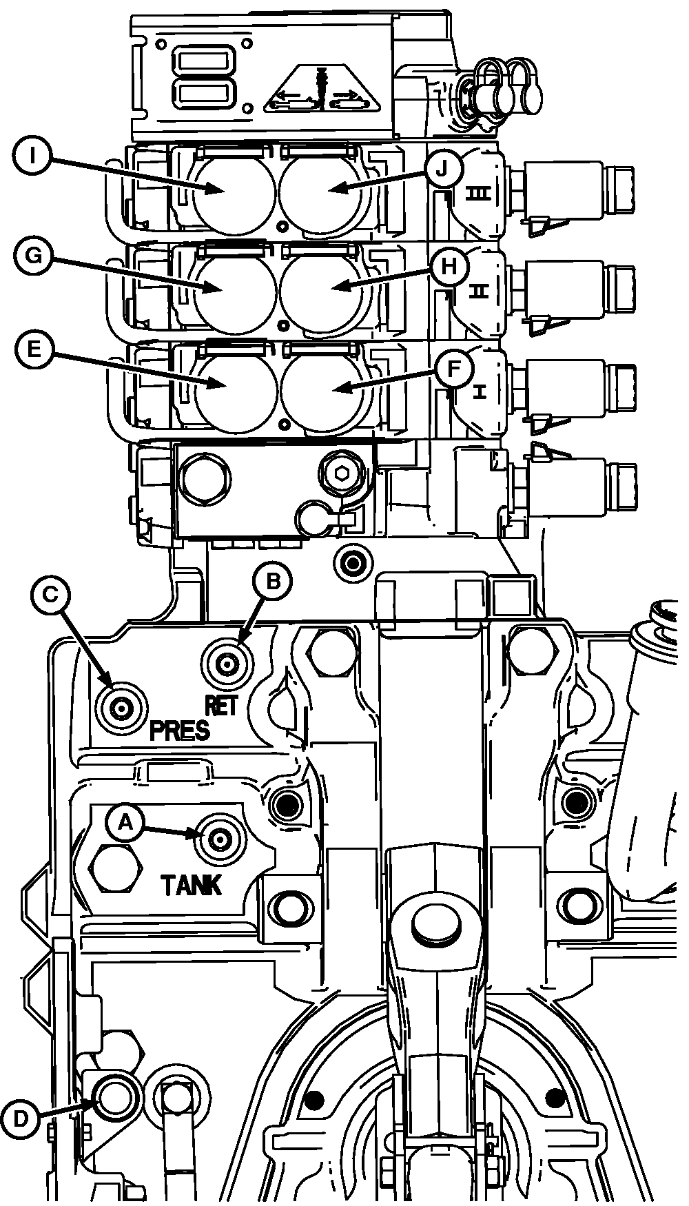
8000T Series Tractor with 3 SCV's

Hose Connections
Case Draina A-Must Be Connected First
Hose Identification Pressure Return
Frame Lift E F
Independent Markers G H
Vacuum System J I
Variable Rate Drive on Power Beyond with Load Sense (D) C B
aCase drain hose MUST be attached PRIOR to any hose being connected.

 

IMPORTANT: Vacuum RETURN hose, with special tip, MUST be connected to tractor EXTEND port. This allows the motor to be shut off by placing SCV lever directly into "float" position, avoiding damaging pressure spikes. This also applies to variable rate drive when connected to an SCV.

This table shows connections for the maximum number of components when a tractor is equipped with three SCV's. If planter is not equipped with either independent markers or vacuum, variable rate drive can be moved from power beyond to an SCV.


A-Tank Port (Fan Motor Case Drain Connection)
B-Auxiliary Return Port (Power Beyond Return)
C-Auxiliary Pressure Port (Power Beyond Pressure)
D-Load Sense Coupler (Power Beyond Load Sense)
E-SCV I (Extend)
F-SCV I (Retract)
G-SCV II (Extend)
H-SCV II (Retract)
I-SCV III (Extend)
J-SCV III (Retract)

A53229

8000T Series Tractor with 3 SCV's

OUO6074,0000AA6 -19-07MAR05-1/1