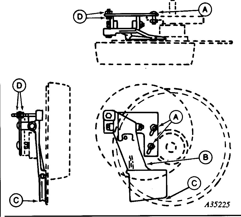
Adjusting Spout

1. Loosen cap screws (A).

2. Adjust pivot arm so point (C) of scraper (B) is inside beveled edge of disk.

3. Tighten cap screws (A).

IMPORTANT: Scraper should "drag" on opener disk at point (C).

4. Adjust preload of pivot arm scraper against opener blade with jam nuts (D).


A-Cap Screws
B-Scraper
C-Point
D-Jam Nuts

A35225
A49383

AG,OUO6074,1352 -19-28JUL05-1/1