9000 and 9000T Series Tractor—Radar and Bracket Installation
NOTE:

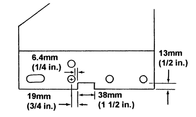
A74929-UN-15MAR12
Earlier brackets must be modified to avoid interference with
hydraulic oil filter mounts. After bracket modification, installation
procedure for brackets is the same.
-
Refer to illustration and cut a notch out of the top of the
bracket at specified dimensions.
-
NOTE: Adjust bracket until top of bracket is level.

A41231-UN-21MAY97
A - Cap Screws, 5/8 x 1-1/2 in.
Install bracket on tractor (next to hydraulic oil filter
housing) using two cap screws (A), flat washers, lock washers, and
nuts.
-
CAUTION: Avoid looking directly into the sensor face of radar
to prevent possible eye damage from microwave signal emitted from
radar.
NOTE: Serial number plate on radar faces up.

A41232-UN-19MAY97
A - Cap Screw, 1/4 x 4 inin
Install radar unit on inner side of bracket using four cap
screws (A), flat washers, and lock nuts (flat washers under head of
cap screw against radar unit).
-
Route harness along right-hand frame to rear of cab. Use tie
bands as required.
-
Connect radar harness to monitor harness.
|
|
AG,OUO1074,868-19-20150716
|
|