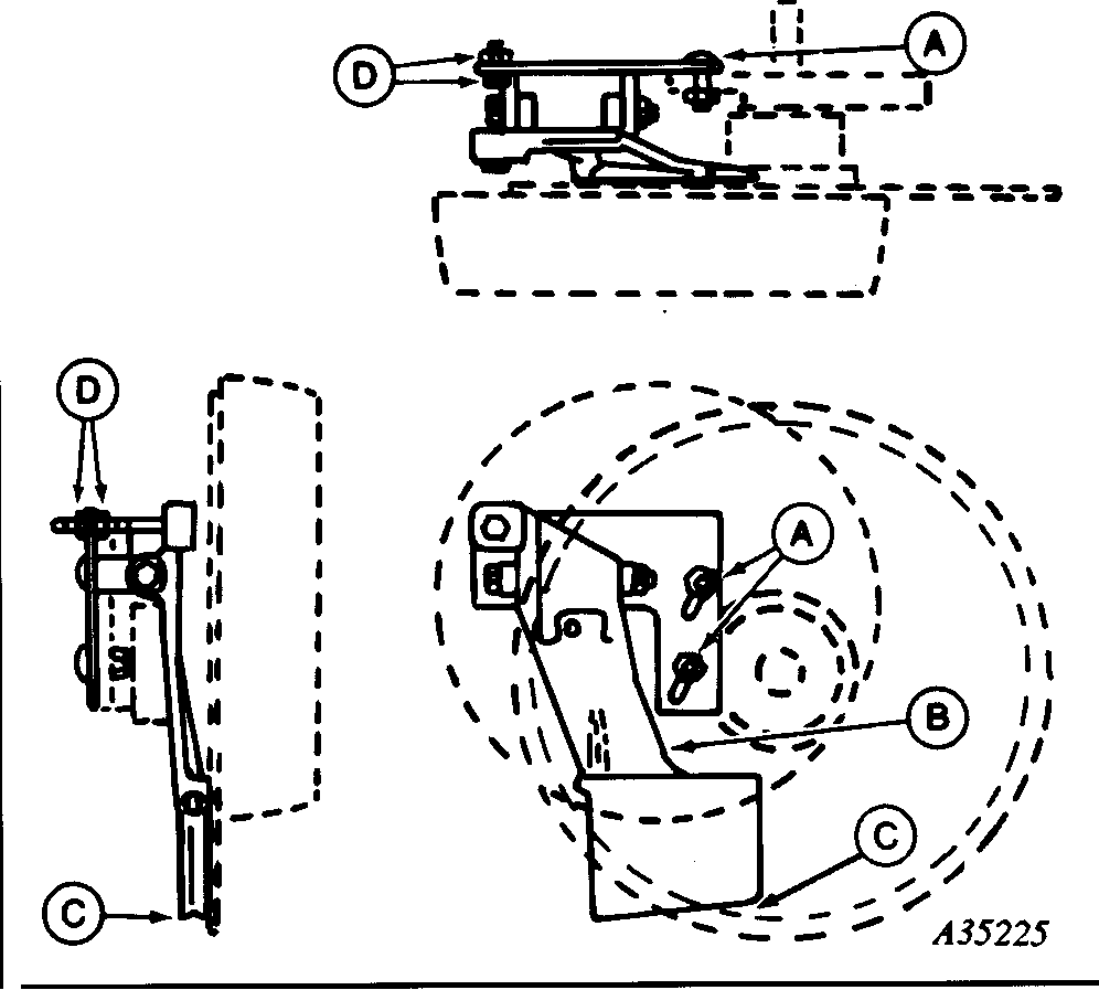
Adjusting Spout

1. Adjust pivot arm so point (C) of scraper (B) is inside beveled edge of disk. Tighten cap screws (A).

IMPORTANT: Scraper should "drag" on opener disk at point (C).

2. Adjust preload of pivot arm scraper against opener blade with two nuts (D).


A-Cap Screws
B-Scraper
C-Point
D-Nuts

A35225
A36447

AG,OUO6074,1352 -19-04AUG00-1/1