Регулировка литой
выгрузной трубы
-

H44720-UN-02JUL92
Показана выгрузная
труба для сухих
удобрений

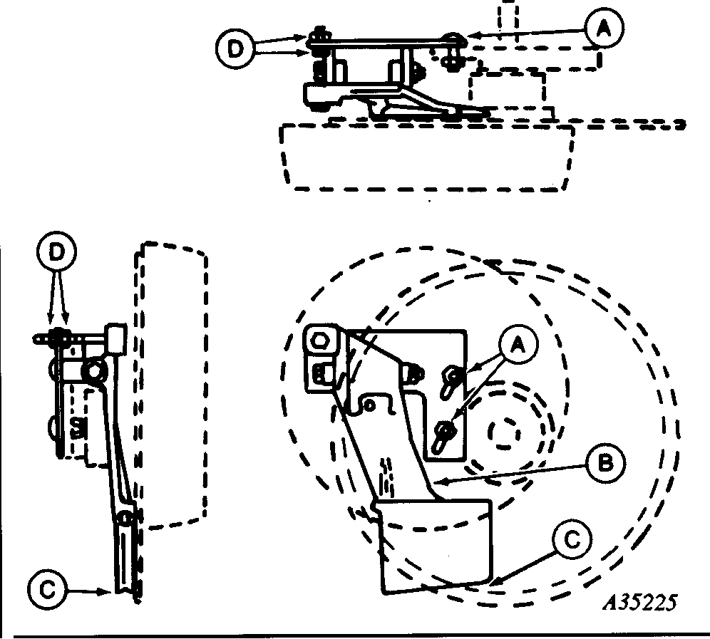
A35225-UN-17MAR93
Показана выгрузная
труба для жидких
удобрений

A35170-UN-10MAR93
Показана выгрузная
труба для сухих
удобрений

A36447-UN-08MAR94
Показана выгрузная
труба для жидких
удобрений
А - Винты с головками
B - Скребок
С - Точка
D - Гайки
Отрегулируйте
поворотный рычаг
таким образом, чтобы
точка (С) скребка
(В) оказалась внутри
конического края
диска, как показано
на рисунке. Затяните
винты (А) с головками.
-
ВАЖНО: Скребок должен
ползти по ножу сошника
в точке (С).
Отрегулируйте
прижатие поворотного
скребка к ножу сошника
двумя гайками (D).
|
|
AG,OUO6074,1345-59-20000804
|
|