NOTE: Drive chains should be removed from wing-wheel modules
if machine will not be converted back to rigid operation.

A36815-UN-22MAR95
A - Countershaft Drive Couplers
For flex operation, remove countershaft drive couplers (A)
from both right-hand and left-hand sides of machine.
For rigid operation, align countershaft drive couplers as follows:

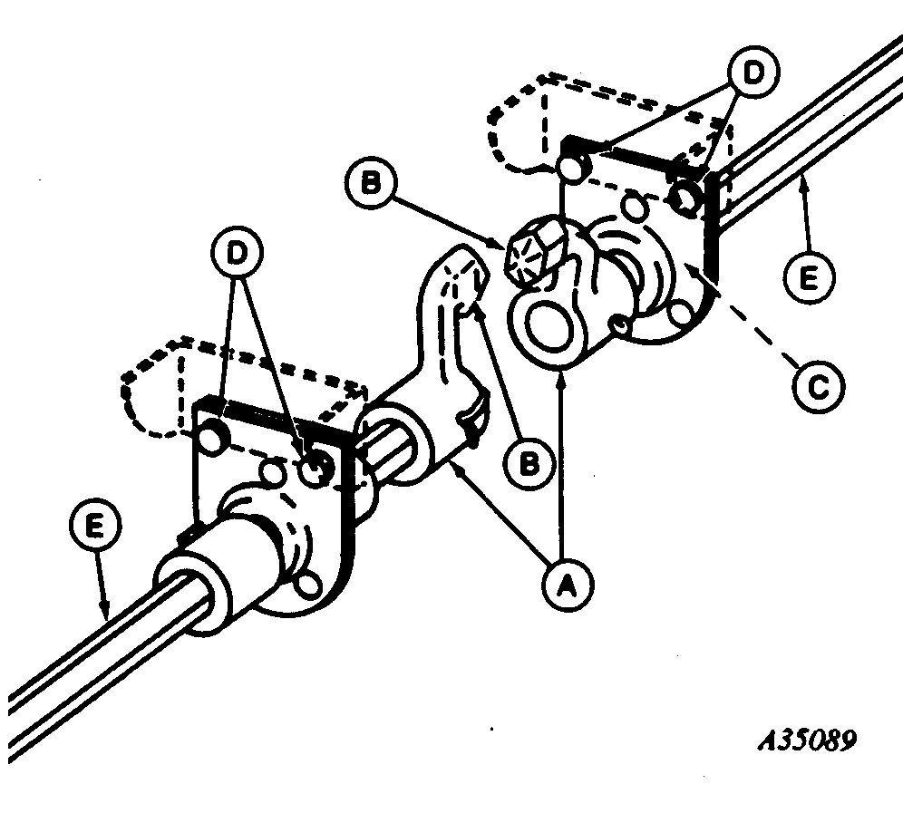
A35089-UN-16OCT92
A - Couplers
B - Flat Surfaces
C - Flat Washers
D - Bolts
E - Shafts
It can be necessary to align couplers (A). The flat surfaces
(B) on the sides of the couplers must be touching and in alignment.
To align the couplers, proceed as follows:
To adjust laterally, add or remove flat washers (C) until flat
surfaces (B) are in alignment.
To adjust contact of flat surfaces, loosen bolts (D) and align
shafts (E).
After maximum alignment is obtained on flat surfaces (B) and
shafts are in alignment, tighten bolts (D).