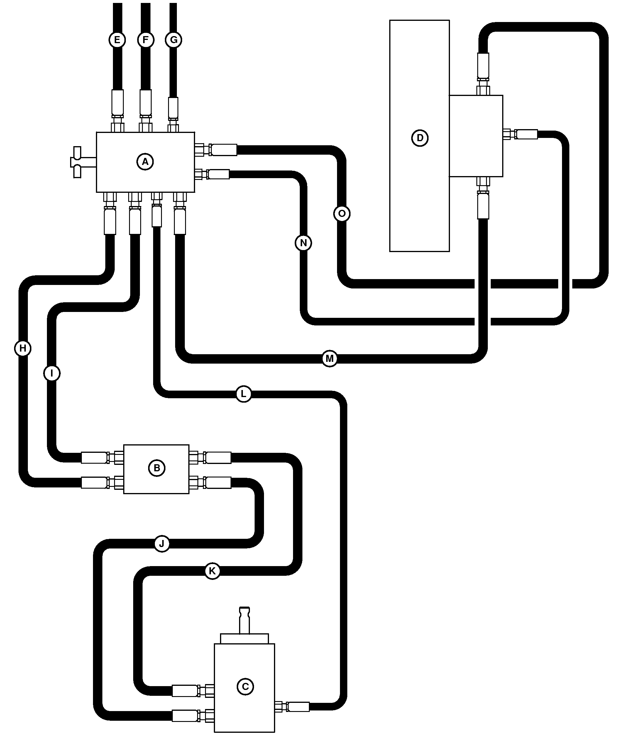
Hydraulic Hose Diagram—Fan and Conveyance

A77901-UN-22MAY13
A - Fan/Auger Control Valve
B - Auger/Conveyor Directional Control Valve
C - Auger/Conveyor Motor
D - Fan Motor
E - Power Beyond Pressure
F - Power Beyond Return
G - Case Drain
H - Power Beyond Pressure
I - Power Beyond Return
J - Power Beyond Pressure
K - Power Beyond Return
L - Case Drain
M - Power Beyond Pressure
N - Case Drain
O - Power Beyond Return
|
|
AG,OUO6023,1228-19-20130523
|
|