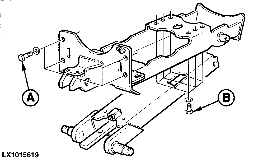
Hydraulische bzw. Elektro-Hydraulische Wagenanhängevorrichtung

LX1015619-UN-08JAN97
Drehmomente der Befestigungsschrauben prüfen.
Sechskantschrauben (A) mit 450 N˙m (330 lb-ft) anziehen.
Sechskantschrauben (B) mit 265 N˙m (190 lb-ft) anziehen.
|
|
OU12401,0000E39-29-20030701
|
|