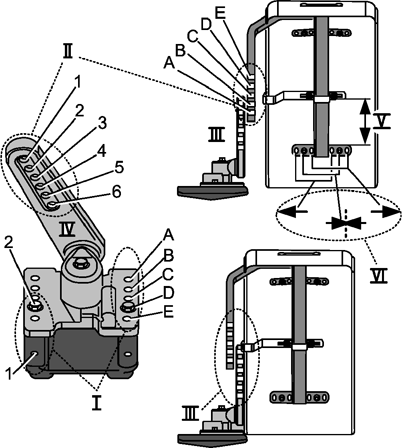
Fender Settings - (on Tractors 6170R to 6210R)

LX211135-UN-28MAY14

LX1053703-UN-29MAY12
Position of Fenders (OUT) — Console on Outside
of Base

LX1053704-UN-29MAY12
Position of Fenders (IN) — Console on Inside
of Base
|
Positions for installing fenders
|
|
I
|
Console on outside of base - (OUT)
|
|
I
|
Console on inside of base - (IN)
|
|
II
|
Height at which fender is set on cast arm
|
II
|
Height at which fender is set on cast arm
|
|
III
|
Fender to cast arm - to center (CTR)
|
III
|
Fender to cast arm - to wheel (TIRE)
|
|
IV
|
Cast arm to console - (UP/DOWN)
IMPORTANT: The cast arm must always point to the rear.
|
IV
|
Cast arm to console - (UP/DOWN)
IMPORTANT: The cast arm must always point to the rear.
|
|
V
|
Radial setting of fender [mm]
|
V
|
Radial setting of fender [mm]
|
|
VI
|
Fender on bracket - in/center/out (IN/CTR/OUT)
|
VI
|
Fender on bracket - in/center/out (IN/CTR/OUT)
|
Refer to the drawing and to the quoted tire sizes and tread
widths before adjusting the fenders.
Move the fenders to the recommended position; this will prevent
damage to the fenders caused by them coming into contact with the
wheel or the hood.
IMPORTANT: The positions listed below are merely recommendations.
Depending on tire size, fender size and the position of the steering
stops, it may be necessary to move the fenders to positions different
from those listed below.
IMPORTANT: Settings listed are approximate, due to variations
in tire size. Fenders are adjusted properly if they leave 20 mm (0.79
in.) clearance with regard to the tires and hood when the axle is
oscillated to its full extent. See also Adjusting
the Fixed Fenders and Adjusting the Pivoting
Fenders.
|
Tire Size
|
Tread width
[mm]
|
Positions at which fender can be installed
|
|
I
|
II
|
III
|
IV
|
V [mm]
|
VI
|
|
480/70R30
|
1720
|
B-1-IN
|
D3-E1
|
TIRE
|
DOWN
|
60
|
OUT
|
|
1812
|
D-2-IN
|
D3-E1
|
TIRE
|
DOWN
|
60
|
OUT
|
|
1916 *
|
B-2-IN
|
D3-E1
|
TIRE
|
DOWN
|
60
|
OUT
|
|
2016
|
D-1-OUT
|
D4-E2
|
TIRE
|
UP
|
0
|
OUT
|
|
2120
|
B-2-OUT
|
D4-E2
|
TIRE
|
UP
|
0
|
OUT
|
|
540/65R30
|
1812
|
E-2-IN
|
D4-E2
|
CTR
|
UP
|
100
|
CTR
|
|
1916 *
|
A-1-OUT
|
D4-E2
|
TIRE
|
UP
|
100
|
CTR
|
|
2016
|
C-1-OUT
|
D4-E2
|
TIRE
|
UP
|
100
|
CTR
|
|
2120
|
A-2-OUT
|
D4-E2
|
TIRE
|
UP
|
120
|
CTR
|
|
420/85R30
|
1720
|
E-2-IN
|
C4-D2
|
TIRE
|
DOWN
|
40
|
OUT
|
|
1812
|
C-2-IN
|
C4-D2
|
TIRE
|
DOWN
|
40
|
OUT
|
|
1916 *
|
D-1-OUT
|
C4-D2
|
TIRE
|
DOWN
|
60
|
OUT
|
|
2016
|
B-2-OUT
|
C4-D2
|
TIRE
|
DOWN
|
60
|
OUT
|
|
2120
|
D-2-OUT
|
C4-D2
|
TIRE
|
DOWN
|
60
|
OUT
|
|
16.9R30
|
1720
|
E-2-IN
|
C4-D2
|
TIRE
|
DOWN
|
40
|
OUT
|
|
1812
|
A-1-OUT
|
C4-D2
|
TIRE
|
DOWN
|
40
|
OUT
|
|
1916 *
|
A-2-IN
|
C4-D2
|
TIRE
|
DOWN
|
40
|
OUT
|
|
2016
|
A-2-OUT
|
C4-D2
|
TIRE
|
DOWN
|
60
|
OUT
|
|
2120
|
C-2-OUT
|
C4-D2
|
TIRE
|
DOWN
|
60
|
OUT
|
|
VF 600/60R30
|
1904
|
E-2-IN
|
D3-E1
|
TIRE
|
UP
|
80
|
OUT
|
|
600/65R28
|
1756
|
D-1-IN
|
D3-E1
|
TIRE
|
UP
|
60
|
OUT
|
|
1776
|
C-1-IN
|
D3-E1
|
TIRE
|
UP
|
80
|
OUT
|
|
1880 *
|
E-2-IN
|
D3-E1
|
TIRE
|
UP
|
80
|
OUT
|
|
2052
|
C-1-OUT
|
D3-E1
|
TIRE
|
UP
|
80
|
OUT
|
|
2156
|
A-2-OUT
|
D3-E1
|
TIRE
|
UP
|
100
|
OUT
|
|
320/85R38
|
1513
|
C-1-IN
|
C4-D2
|
TIRE
|
DOWN
|
40
|
IN
|
|
1601
|
E-2-IN
|
C4-D2
|
TIRE
|
DOWN
|
40
|
IN
|
|
1717
|
C-2-IN
|
C4-D2
|
TIRE
|
DOWN
|
40
|
IN
|
|
1847 *
|
D-1-OUT
|
C4-D2
|
TIRE
|
DOWN
|
60
|
IN
|
|
1919
|
A-2-OUT
|
C4-D2
|
TIRE
|
DOWN
|
60
|
IN
|
|
2021
|
D-2-OUT
|
C4-D2
|
TIRE
|
DOWN
|
60
|
IN
|
|
2123
|
E-2-OUT
|
C4-D2
|
TIRE
|
DOWN
|
80
|
IN
|
|
380/85R34
|
1511
|
D-1-IN
|
C3-D1
|
TIRE
|
DOWN
|
40
|
CTR
|
|
1613
|
B-1-IN
|
C3-D1
|
TIRE
|
DOWN
|
40
|
CTR
|
|
1713
|
D-2-IN
|
C3-D1
|
TIRE
|
DOWN
|
40
|
CTR
|
|
1815 *
|
B-2-IN
|
C3-D1
|
TIRE
|
DOWN
|
40
|
CTR
|
|
1917
|
D-1-OUT
|
C3-D1
|
TIRE
|
DOWN
|
40
|
CTR
|
|
2019
|
B-2-OUT
|
C3-D1
|
TIRE
|
DOWN
|
40
|
CTR
|
|
2121
|
D-2-OUT
|
C3-D1
|
TIRE
|
DOWN
|
40
|
CTR
|
|
420/90R30
|
1511
|
E-1-IN
|
C3-D1
|
TIRE
|
DOWN
|
0
|
OUT
|
|
1613
|
C-1-IN
|
C3-D1
|
TIRE
|
DOWN
|
40
|
OUT
|
|
1713
|
E-2-IN
|
C3-D1
|
TIRE
|
DOWN
|
40
|
OUT
|
|
1815 *
|
C-2-IN
|
C3-D1
|
TIRE
|
DOWN
|
40
|
OUT
|
|
1917
|
A-2-IN
|
C3-D1
|
TIRE
|
DOWN
|
40
|
OUT
|
|
2019
|
A-2-OUT
|
C3-D1
|
TIRE
|
DOWN
|
40
|
OUT
|
|
2121
|
C-2-OUT
|
C3-D1
|
TIRE
|
DOWN
|
40
|
OUT
|
|
16.9R30/R2
|
1511
|
E-1-IN
|
C3-D1
|
TIRE
|
DOWN
|
0
|
OUT
|
|
1613
|
D-1-IN
|
C3-D1
|
TIRE
|
DOWN
|
40
|
OUT
|
|
1713
|
B-1-IN
|
C3-D1
|
TIRE
|
DOWN
|
40
|
OUT
|
|
1815 *
|
C-2-IN
|
C3-D1
|
TIRE
|
DOWN
|
40
|
OUT
|
|
1917
|
A-2-IN
|
C3-D1
|
TIRE
|
DOWN
|
40
|
OUT
|
|
2019
|
A-2-OUT
|
C3-D1
|
TIRE
|
DOWN
|
40
|
OUT
|
|
2121
|
C-2-OUT
|
C3-D1
|
TIRE
|
DOWN
|
40
|
OUT
|
|
600/65R30
|
1755
|
D-1-IN
|
C3-D1
|
TIRE
|
UP
|
150
|
OUT
|
|
1775
|
C-1-IN
|
C3-D1
|
TIRE
|
UP
|
150
|
OUT
|
|
1879 *
|
E-2-IN
|
C3-D1
|
TIRE
|
UP
|
150
|
OUT
|
|
2051
|
C-1-OUT
|
C3-D1
|
TIRE
|
UP
|
180
|
OUT
|
|
2155
|
A-2-OUT
|
C3-D1
|
TIRE
|
UP
|
180
|
OUT
|
|
460/85R30
|
1719
|
B-1-IN
|
B4-C2
|
TIRE
|
DOWN
|
0
|
OUT
|
|
1811
|
A-1-OUT
|
B4-C2
|
TIRE
|
DOWN
|
0
|
OUT
|
|
1915 *
|
C-1-OUT
|
B4-C2
|
TIRE
|
DOWN
|
0
|
OUT
|
|
2015
|
A-2-OUT
|
B4-C2
|
TIRE
|
DOWN
|
40
|
OUT
|
|
2119
|
C-2-OUT
|
B4-C2
|
TIRE
|
DOWN
|
40
|
OUT
|
|
600/70R28
|
1755
|
D-1-IN
|
C3-D1
|
TIRE
|
UP
|
150
|
OUT
|
|
1775
|
C-1-IN
|
C3-D1
|
TIRE
|
UP
|
150
|
OUT
|
|
1879 *
|
E-2-IN
|
C3-D1
|
TIRE
|
UP
|
150
|
OUT
|
|
2051
|
C-1-OUT
|
C3-D1
|
TIRE
|
UP
|
180
|
OUT
|
|
2155
|
A-2-OUT
|
C3-D1
|
TIRE
|
UP
|
180
|
OUT
|
|
380/80R38
|
1512
|
D-1-IN
|
B4-C2
|
TIRE
|
DOWN
|
0
|
CTR
|
|
1600
|
C-1-IN
|
B4-C2
|
TIRE
|
DOWN
|
0
|
CTR
|
|
1716
|
D-2-IN
|
B4-C2
|
TIRE
|
DOWN
|
0
|
CTR
|
|
1846 *
|
C-1-OUT
|
B4-C2
|
TIRE
|
DOWN
|
0
|
CTR
|
|
1918
|
D-1-OUT
|
B4-C2
|
TIRE
|
DOWN
|
40
|
CTR
|
|
2020
|
B-2-OUT
|
B4-C2
|
TIRE
|
DOWN
|
40
|
CTR
|
|
2122
|
D-2-OUT
|
B4-C2
|
TIRE
|
DOWN
|
40
|
CTR
|
|
420/85R34
|
1510
|
E-1-IN
|
B4-C2
|
TIRE
|
DOWN
|
0
|
OUT
|
|
1612
|
C-1-IN
|
B4-C2
|
TIRE
|
DOWN
|
0
|
OUT
|
|
1712
|
E-2-IN
|
B4-C2
|
TIRE
|
DOWN
|
0
|
OUT
|
|
1814 *
|
C-2-IN
|
B4-C2
|
TIRE
|
DOWN
|
0
|
OUT
|
|
1916
|
A-2-IN
|
B4-C2
|
TIRE
|
DOWN
|
0
|
OUT
|
|
2018
|
A-2-OUT
|
B4-C2
|
TIRE
|
DOWN
|
40
|
OUT
|
|
2120
|
C-2-OUT
|
B4-C2
|
TIRE
|
DOWN
|
40
|
OUT
|
|
480/70R34
|
1612
|
E-1-IN
|
B4-C2
|
TIRE
|
DOWN
|
0
|
OUT
|
|
1712
|
C-1-IN
|
B4-C2
|
TIRE
|
DOWN
|
0
|
OUT
|
|
1814 *
|
E-2-IN
|
B4-C2
|
TIRE
|
DOWN
|
0
|
OUT
|
|
1916
|
B-1-OUT
|
B4-C2
|
TIRE
|
DOWN
|
0
|
OUT
|
|
2018
|
D-1-OUT
|
B4-C2
|
TIRE
|
DOWN
|
40
|
OUT
|
|
2120
|
B-2-OUT
|
B4-C2
|
TIRE
|
DOWN
|
40
|
OUT
|
|
600/70R30
|
1754
|
D-1-IN
|
B4-C2
|
TIRE
|
UP
|
120
|
OUT
|
|
1774
|
C-1-IN
|
B4-C2
|
TIRE
|
UP
|
120
|
OUT
|
|
1878 *
|
E-2-IN
|
B4-C2
|
TIRE
|
UP
|
150
|
OUT
|
|
2050
|
C-1-OUT
|
B4-C2
|
TIRE
|
UP
|
150
|
OUT
|
|
2154
|
A-2-OUT
|
B4-C2
|
TIRE
|
UP
|
150
|
OUT
|
|
* Tread width setting on delivery. This is the only tread width
that permits front-loader operation.
|
|
|
OULXA64,0002A06-19-20140605
|
|