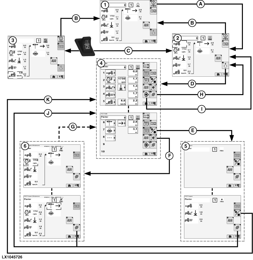
iTEC - Summary of Programs and Functions

LX1045726
LX1045726-UN-08NOV10


1

Status OFF

A

iTEC ON

F

Commence learning process (distances only) (press sequence switch to learn each step)

I

Close the editing page

(save changes)

2

Status ON, passive

B

iTEC OFF

3

Status ON, executing

C

Start/end execution

G

Most recent learned step

(accept distances)

J

Cancel learning process

(without saving changes)

4

Editing page

D

Change to editing mode

5

Learning

E

Start learning process

(actuate functions manually)

H

Close the editing page

(without saving changes)

K

End the learning process

(accept the steps)

6

Learn distances only

OULXA64,0002695-19-20101124