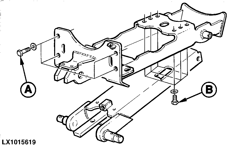
Pick-Up Hitch

LX1015619
LX1015619-UN-08JAN97


Check torques of attaching screws.

Tighten cap screws (A) to 450 Nm (330 lb.-ft.).

Tighten cap screws (B) to 265 Nm (190 lb.-ft.).

OULXA64,00027B7-19-20110609