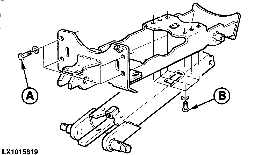
Hydraulische Wagenanhängevorrichtung - Schrauben anziehen

LX1015619-UN-08JAN97
Drehmomente der Befestigungsschrauben prüfen.
Sechskantschrauben (A) mit 450 Nm (330 lb.-ft.) anziehen.
Sechskantschrauben (B) mit 265 Nm (190 lb.-ft.) anziehen.
|
|
OULXA64,00027B7-29-20140701
|
|