Vorderachse zweiteilig — Hinweise zu Einstellungen der
Kotflügel

LX211135-UN-28MAY14

LX1053703-UN-29MAY12
Position der Kotflügel (OUT) — Konsole
außen auf Basisteil

LX1053704-UN-29MAY12
Position der Kotflügel (IN) — Konsole
innen auf Basisteil
|
Anbauposition der Kotflügel (OUT)
|
|
Anbauposition der Kotflügel (IN)
|
|
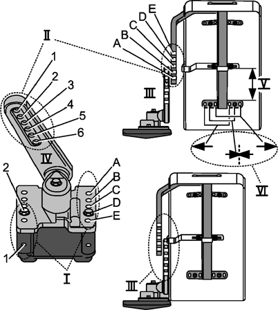
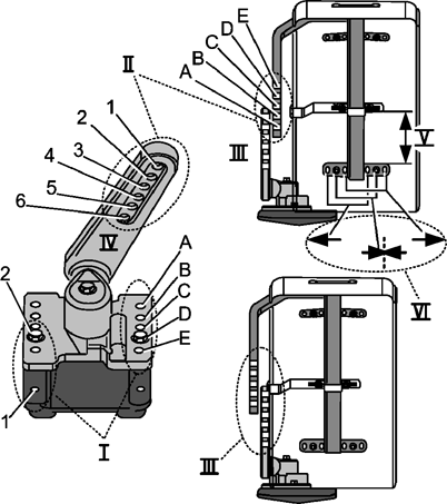
I
|
Konsole auf Basisteil außen - (OUT)
|
|
I
|
Konsole auf Basisteil innen - (IN)
|
|
II
|
Höheneinstellung Kotflügel an Gussarm
|
II
|
Höheneinstellung Kotflügel an Gussarm
|
|
III
|
Kotflügel an Gussarm - zur Mitte (CTR)
|
III
|
Kotflügel an Gussarm - zum Rad (TIRE)
|
|
IV
|
Gussarm an Konsole - (UP/DOWN)
WICHTIG: Der Gussarm muss immer nach hinten zeigen.
|
IV
|
Gussarm an Konsole - (UP/DOWN)
WICHTIG: Der Gussarm muss immer nach hinten zeigen.
|
|
V
|
Radiale Einstellung des Kotflügels [mm]
|
V
|
Radiale Einstellung des Kotflügels [mm]
|
|
VI
|
Kotflügel auf Halter - innen/Mitte/außen (IN/CTR/OUT)
|
VI
|
Kotflügel auf Halter - innen/Mitte/außen (IN/CTR/OUT)
|
WICHTIG: Die erforderlichen Einstellwerte der Kotflügel
einer der folgenden Tabellen entnehmen: • “Vorderachse zweiteilig — Drehbare Kotflügel
und Lenkanschlag einstellen”
Siehe entsprechendes Vorderachsmodell auf den folgenden Seiten.
Die Kotflügel anhand der Zeichnung und nach den gegebenen
Reifengrößen und Spurweiten sowie der hierfür erforderlichen
Lenkanschläge einstellen.
Kotflügel in die empfohlenen Stellungen bringen, um eine
Beschädigung des Kotflügels durch Berührung mit dem
Rad oder der Motorhaube zu vermeiden.
WICHTIG: Bei den folgenden Anbaupositionen handelt es sich
lediglich um Empfehlungen. Je nach Reifengröße, Kotflügelgröße
und Position der Lenkanschläge, müssen die Kotflügel
möglicherweise abweichend von den nachstehenden empfohlenen Stellungen
zusätzlich eingestellt werden.
WICHTIG: Aufgrund der unterschiedlichen Reifengrößen
handelt es sich bei den aufgeführten Einstellungen um Annäherungswerte. Die Lenkanschläge sind korrekt eingestellt, wenn bei maximalem
Einschlag und vollständiger Pendelung der Achse ein ausreichender
Abstand von Reifen zu Rahmen und Traktorkomponenten gewährleistet
ist. Siehe zusätzlich “Berührungen von Vorderrad oder
Kotflügel mit Traktorkomponenten vermeiden”, in diesem
Abschnitt.
|
|
OULXA64,000375D-29-20150723
|
|