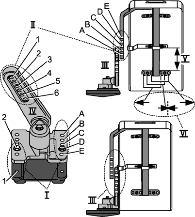
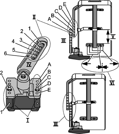
Two-Piece Front Axle — Notes on Adjusting the Fenders

LX211135-UN-28MAY14

LX1053703-UN-29MAY12
Position of Fender (OUT) — Console on Outside
of Base

LX1053704-UN-29MAY12
Position of Fender (IN) — Console on Inside
of Base
|
Installed Position of Fender (OUT)
|
|
Installed Position of Fender (IN)
|
|
I
|
Console on outside of base - (OUT)
|
|
I
|
Console on inside of base - (IN)
|
|
II
|
Height at which fender is set on cast arm
|
II
|
Height at which fender is set on cast arm
|
|
III
|
Fender to cast arm - to center (CTR)
|
III
|
Fender to cast arm - to wheel (TIRE)
|
|
IV
|
Cast arm to console - (UP/DOWN)
IMPORTANT: The cast arm must always point to the rear.
|
IV
|
Cast arm to console - (UP/DOWN)
IMPORTANT: The cast arm must always point to the rear.
|
|
V
|
Radial setting of fender [mm]
|
V
|
Radial setting of fender [mm]
|
|
VI
|
Fender on Bracket - In/Center/Out (IN/CTR/OUT)
|
VI
|
Fender on Bracket - In/Center/Out (IN/CTR/OUT)
|
IMPORTANT: The required setting values of the fenders can be
found in one of the following tables: • “Two-Piece Front Axle — Adjust the Pivoting
Fenders and Steering Stop”
See corresponding front axle model on the following pages.
Adjust the fenders according to the drawing and to the specified
tire sizes and tread widths as well as the steering stops required
for this.
Move the fenders to the recommended position; this will prevent
damage to the fenders caused by them coming into contact with the
wheel or the engine hood.
IMPORTANT: The positions listed below are merely recommendations.
Depending on tire size, fender size and the position of the steering
stops, it may be necessary to move the fenders to positions different
from those listed below.
IMPORTANT: Settings listed are approximate, due to variations
in tire size. The steering stops are set correctly if
a sufficient clearance can be ensured between the tires and frame
and tractor components when steering is fully turned and the axle
is oscillated to its full extent. See also “Preventing Front
Wheel or Fender Contact with Tractor Components” in this Section.
|
|
OULXA64,000375D-19-20150723
|
|