Pickup vonószerkezet - Csavarok meghúzása

LX1015619-UN-08JAN97
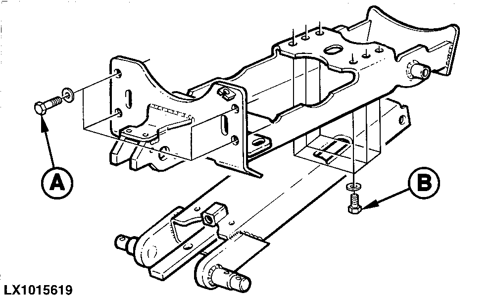
Ellenőrizze a rögzítőcsavarok (A) és (B) meghúzási nyomatékát.
|
Rögzítőcsavarok (A)
|
|
|
M20 ..............
|
500 Nm (370 lb·ft)
|
|
Rögzítő csavarok (B)
|
|
|
M16 ..............
|
310 Nm (230 lb·ft)
|
|
M20 ..............
|
500 Nm (370 lb·ft)
|
|
|
OULXBER,0002D02-35-20190308
|
|