Cleaning Radiator and Oil Cooler/Condenser

1. Stop engine and remove key.

2. Clean front grille screen or side panels using a brush.

3. Raise hood.

OUMX005,0001617 -19-13JUL05-1/4


4. Remove cap screws (A) and lift side shield off of alignment studs.

5. Remove cap screw and cover (B).


A-Cap Screws
B-Cover

RXA0068395

Right-Hand Side

RXA0068396

OUMX005,0001617 -19-13JUL05-2/4


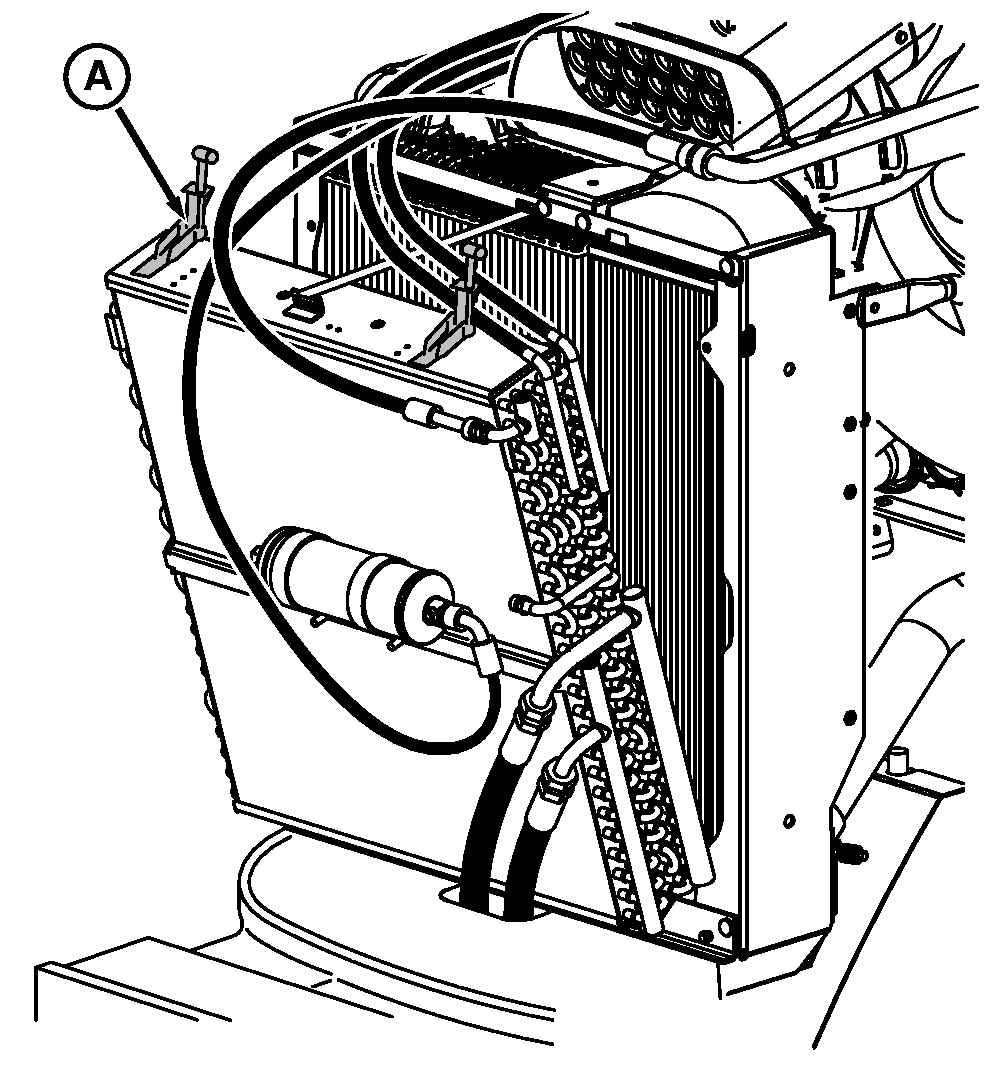
6. Release latches (A) along top of oil cooler/condenser and pull forward, away from radiator.

7. Use compressed air or water to clean radiator and cooler/condensor. Straighten any bent fins.

8. Push cooler/condenser toward radiator and engage latches.


A-Latch (2 used)

RXA0068397

OUMX005,0001617 -19-13JUL05-3/4


IMPORTANT: Air flow inside shroud compartment will not circulate properly if cover is not installed correctly. Make sure to install cover with tab inside slot in shroud.

9. Install cover with tab (A) INSIDE slot in shroud. Fasten with cap screw.

10. Install side shield and lower hood.


A-Tab

RXA0068398

OUMX005,0001617 -19-13JUL05-4/4