Hitch Conversion-Convertible Quick Coupler

RXA0070297


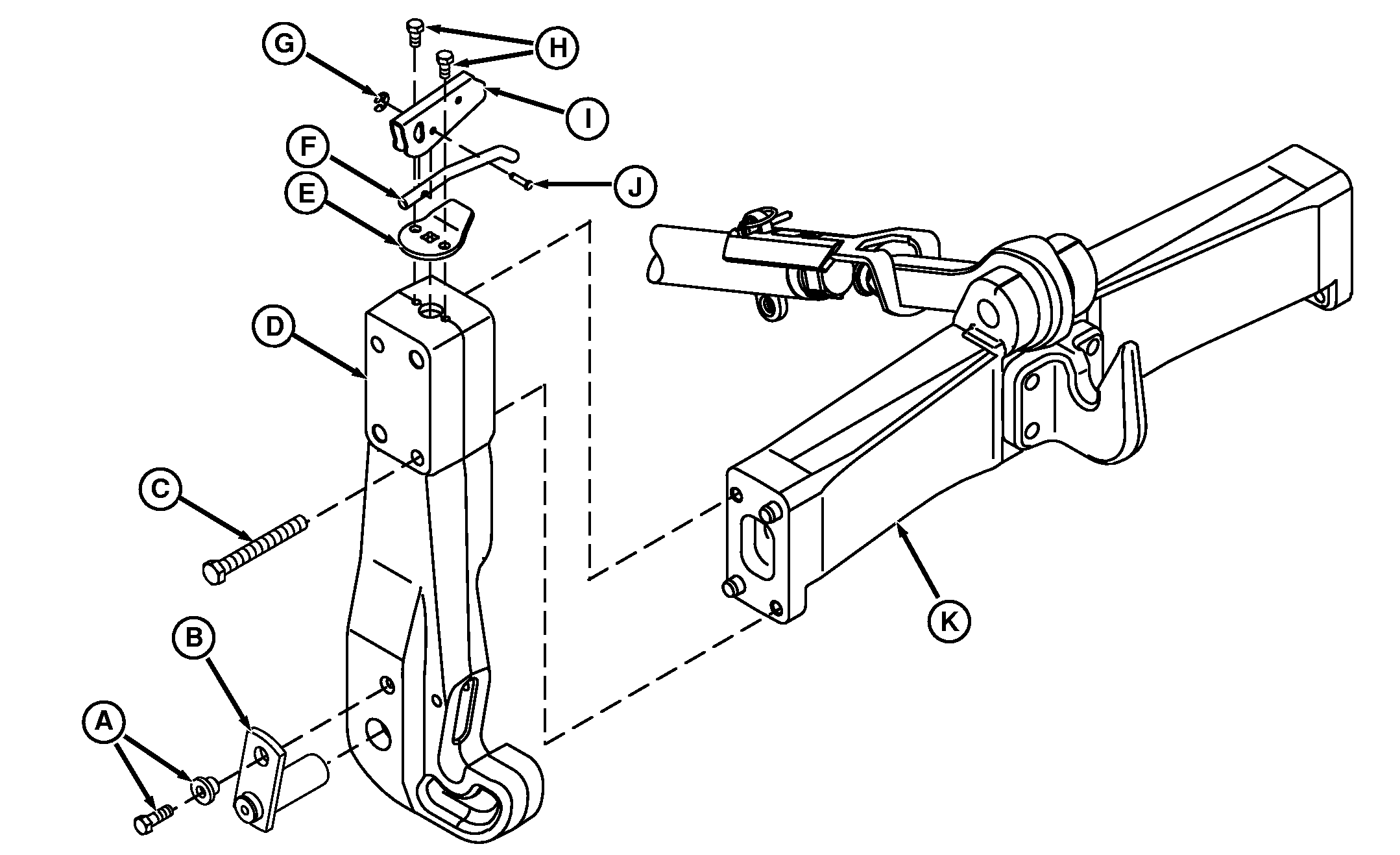
A-Cap Screw and Collar
B-Pin
C-Cap Screw (2 used)


D-Side Member (Left-Hand Side)
E-Wear Plate


F-Handle
G-E-Clip
H-Cap Screws


I-Lever
J-Pin
K-Crossbar

Quick coupler is convertible to Category 3 or 3N. Use Category 3 whenever possible. Use 3N only if need to allow full hitch sway at narrow wheel tread settings.

Use following procedure to convert quick-coupler to desired hitch category:

1. Convert bumper blocks to the correct category width. (See USING BUMPER BLOCKS in this section.)

2. Install support stands under crossbar (K).

3. Remove cap screw and collar (A) and pin (B). Disconnect draft link from side member (D).

causym CAUTION: Approximate weight of each side member (D) is 22.5 kg (50 lb).

4. Remove two cap screws (C) and side member (D).

5. Repeat on opposite side.

6. Move left-hand side member to right-hand end and right-hand side member to left-hand end. Tighten cap screws (C) to specifications.

Specification

Side Member-to-Crossbar Cap Screws -Torque 320 N·m (236 lb-ft)

7. Align draft link to side member and install pin (B). Fasten with collar and cap screw (A).

8. Remove parts (E-J).

OUMX005,000173B -19-02JUN05-1/2


9. Reinstall parts with tab on wear plate (E) and handle (F) facing inward, as shown.

10. Repeat on opposite side.

11. Remove support stands.

OUMX005,000173B -19-02JUN05-2/2