Lubricating Non-Driving Front Axle (2WD)

SERVICE INTERVAL - 250 HOURS *
* Daily or Every 10 Hours if operated in extremely wet conditions, or in Heavy Duty service using front loaders, front hitch or front tanks

 

Use John Deere SD Polyurea grease or other grease as specified in Fuel, Lubricants and Coolant section. DO NOT use Arctic grease with specification requirements per MIL-G-10-924C.

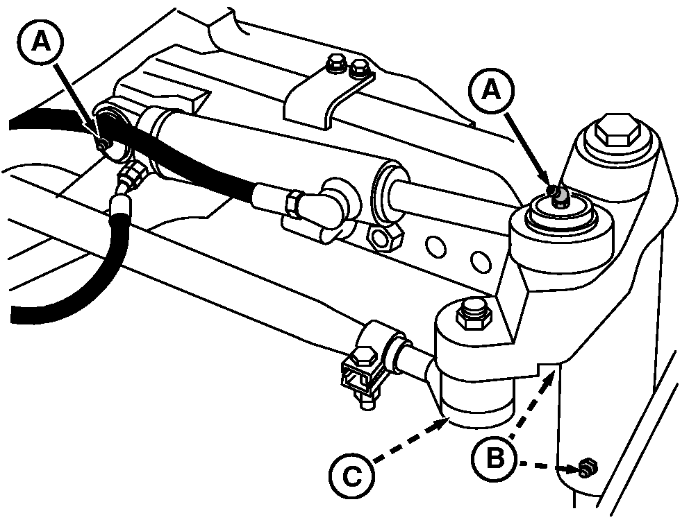
Apply grease to fittings (A-E).


A-Steering Cylinder End Fittings
B-Steering Spindle Fittings
C-Tie Rod Fitting
D-Axle Pivot Pin Fitting-Front
E-Axle Pivot Pin Fitting-Rear

RXA0068454

Right-Hand Side Shown

RXA0068455
RXA0068456

OUMX005,0001740 -19-06MAY04-1/1