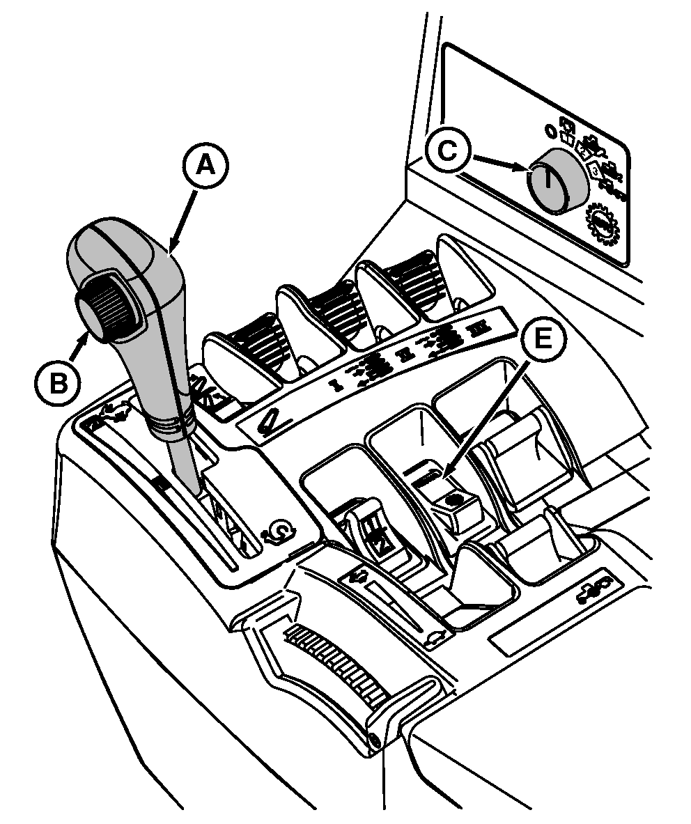
Controls Identification

RXA0068274

Left-Hand Reverser

RXA0077756

IVT Controls


A-Speed Control Lever
B-Set Speed Adjuster


C-Selector Switch


D-Left-Hand Reverser


E-AutoTrac Resume Switch (If Equipped)

OURX986,00002C0 -19-15AUG05-1/1