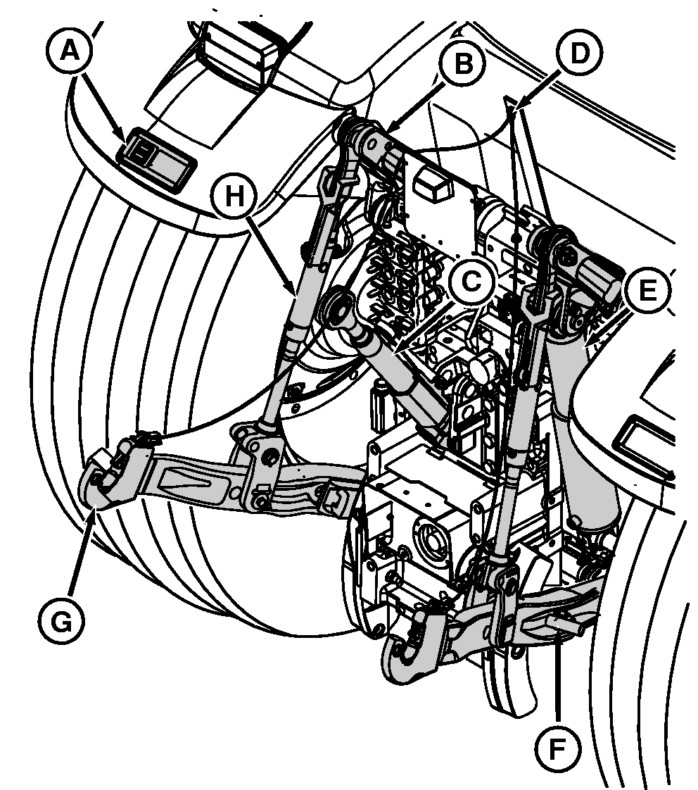
Hitch Components


A-External Raise/Lower Switches (both fenders)
B-Lift Arms
C-Center Link
D-Release Cable
E-Lift Cylinders
F-Stabilizer (if equipped)
G-Draft Links
H-Lift Links

RXA0068296

OUMX005,00016B1 -19-22MAR05-1/1