Bombillas HID
Sustitución de bombillas HID delanteras:

RXA0082294-UN-12JUL05
Sustitución de bombillas HID delanteras
A - Conjunto de HID (luz de alta intensidad)
B - Chapa de seguridad
-
ATENCIÓN: Use guantes y gafas de seguridad al manipular las bombillas.
Se podrían producir chispas peligrosas en el enchufe, que podrían
causar daño/lesiones. Ver la advertencia del fabricante adjunta
con la bombilla de repuesto.
Desconectar el grupo de cables del conjunto de HID.
-
Presionar el conjunto de HID (A) y retirar la chapa de seguridad
(B) utilizando un destornillador.
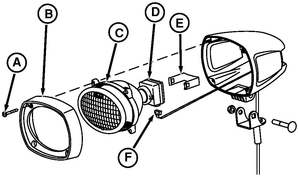
Sustitución de bombillas HID del guardabarros
derecho:

RXA0085596-UN-13FEB06
A - Tornillo
B - Moldura
C - Reflector
D - Luz
E - Chapa de seguridad
F - Grupo de cables
-
Retire los tornillos (A) y la moldura (B).
-
Con cuidado tire del reflector (C) con la luz (D) fuera de la
tapa lejos lo suficiente para desconectar el mazo de cables (F).
-
Presionar el conjunto de luces HID y retirar la chapa de seguridad
(E) utilizando un destornillador. Saque la lámpara del reflector.
-
Instale una lámpara nueva en el reflector e instale el
retenedor.
-
Conectar el enchufe del grupo de cables al nuevo conjunto de
luces HID. Instalar el conjunto de luces HID en la tapa e instalar
el bisel y los tornillos.
|
|
OURX935,000031C-63-20080612
|
|