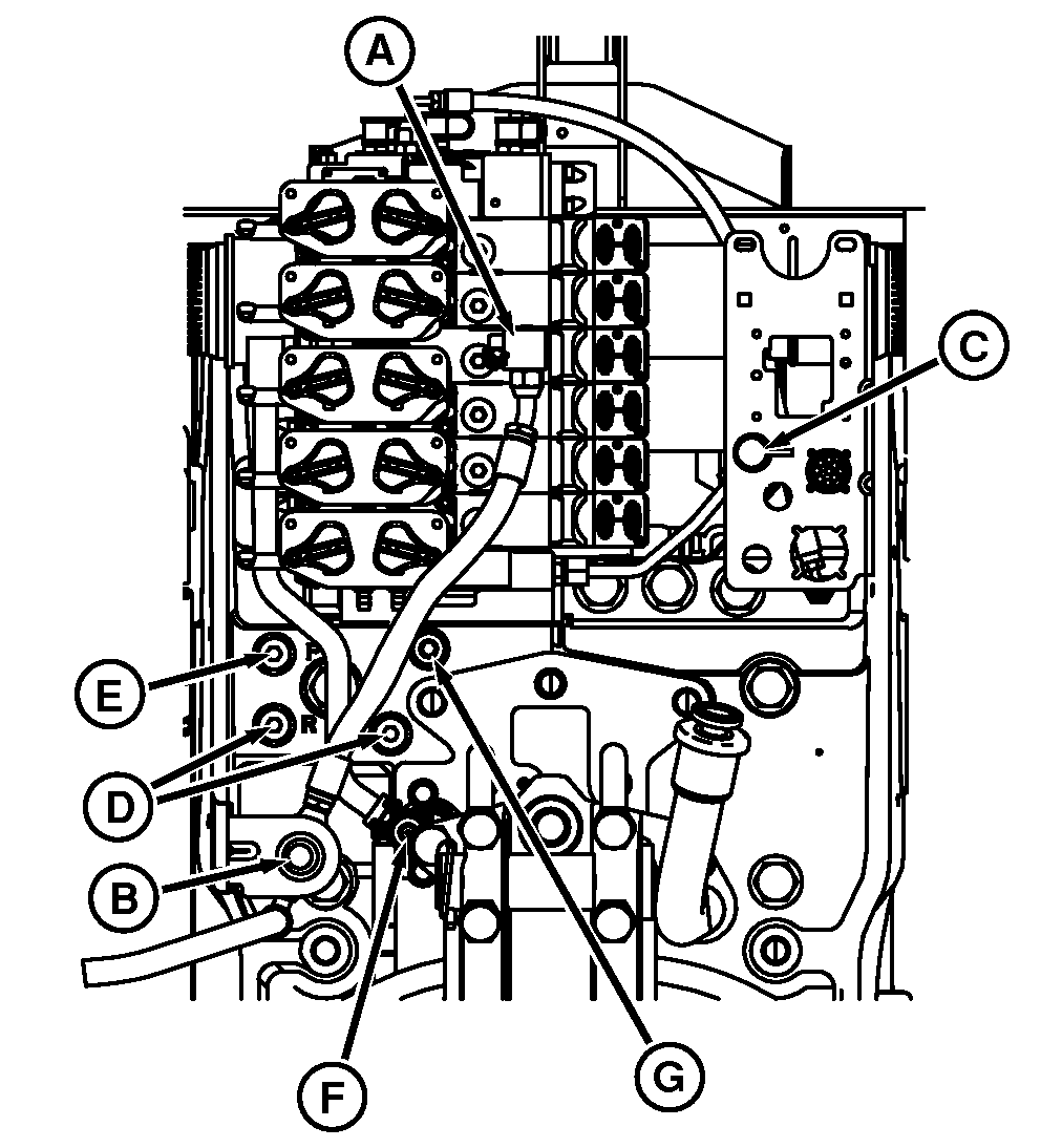
Identificación de componentes hidráulicos

RXA0096590-UN-13AUG08
A - Válvula de enganche
B - Boca de válvula auxiliar del enganche (si
se equipa)1
C - Acoplador de presión sensora de carga de
toma hidráulica exterior (si se equipa)
D - Bocas de retorno
E - Boca de presión (primaria)
F - Boca de vaciado (al sumidero)
G - Boca de presión (acceso limitado)
|
1 El kit de modificación
puede pedirse al concesionario John Deere.
|
OURX935,0000851-63-20090122
|
|