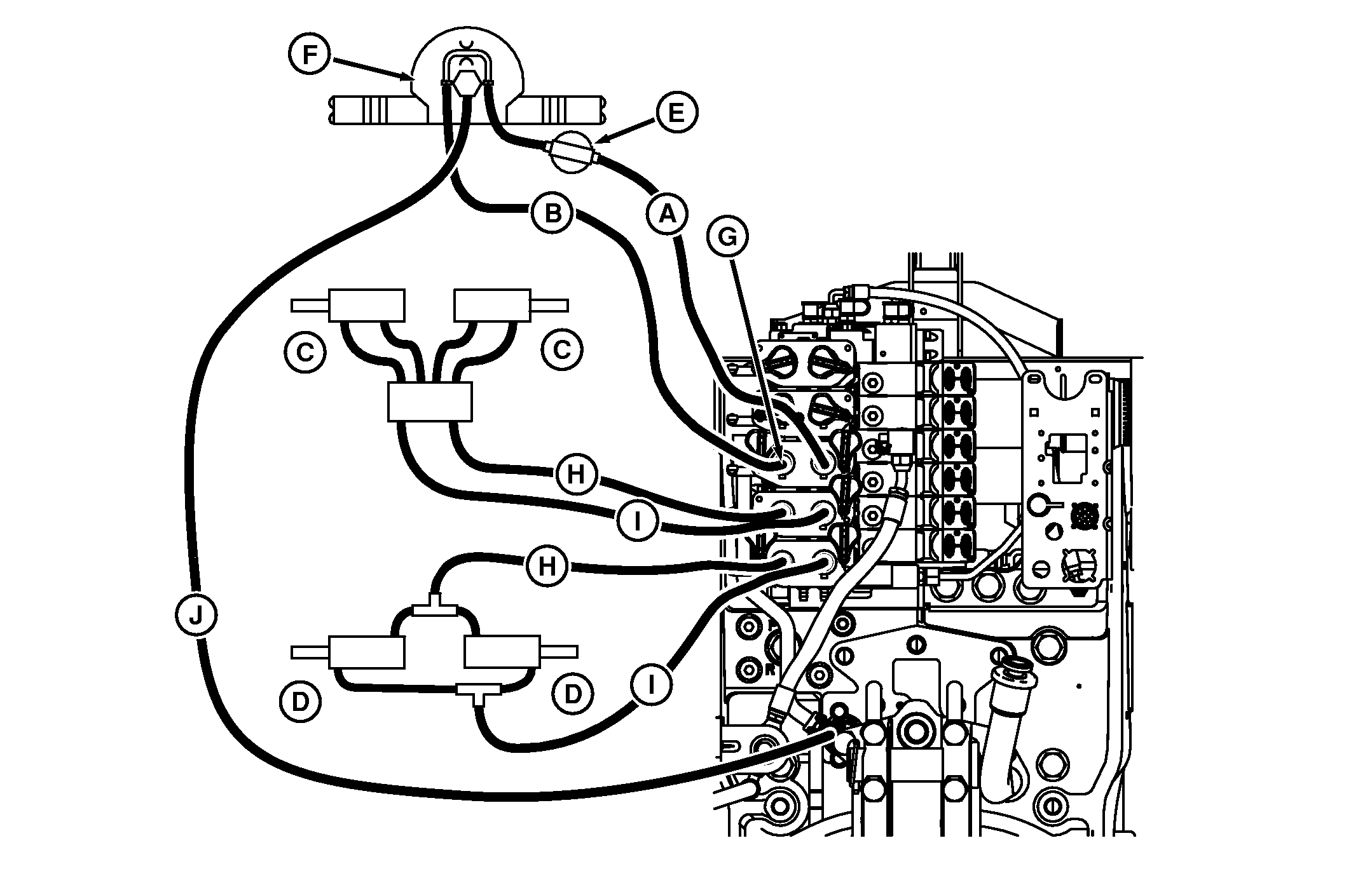
Ejemplo 4 de conexión de aperos — Sembradora con
motor de vacío y tubería de retorno a VMD mediante boquilla
de retorno de motor

RXA0096596-UN-13AUG08
A - Tubería de presión
B - Tubería de retorno
C - Marcador
D - Pliegue
E - Válvula reguladora de caudal (completamente
abierta)
F - Motor de vacío
G - Punta especial de manguera de retorno
H - Línea de extensión del acople
I - Línea de retracción del acople
J - Tubería de vaciado al cárter1
En esta aplicación, el motor de vacío (F), similar
a un ventilador de sembradora, recibe aceite a presión de la
boca de retracción de la VMD. Como el aceite de retorno se
dirige a una VMD, se necesitará un extremo especial de manguera
de retorno (G) con válvula de retención para evitar
que el aceite a alta presión regrese al motor hidráulico,
lo cual podría dañar las juntas. Cuando se apaga el
motor, la palanca de la VMD se traslada a la posición de flotación
para permitir que el motor se desacelere hasta pararse. Si se mueve
la palanca al punto muerto, se producirá una parada súbita
del motor hidráulico y esto puede dañar los retenes.
La válvula reguladora de caudal (E) debe abrirse al máximo
y tener el caudal controlado por el panel de ajuste de la VMD. Si
la válvula reguladora de caudal controla el caudal, esto hará
que la bomba hidráulica funcione a la presión máxima,
lo que puede ocasionar sobrecalentamientos del aceite hidráulico,
si al funcionar la temperatura del aire exterior es alta.
|
1 Sólo para retornos de motor hidráulico
equipados con vaciado al cárter
|
OURX935,0000858-63-20090122
|
|