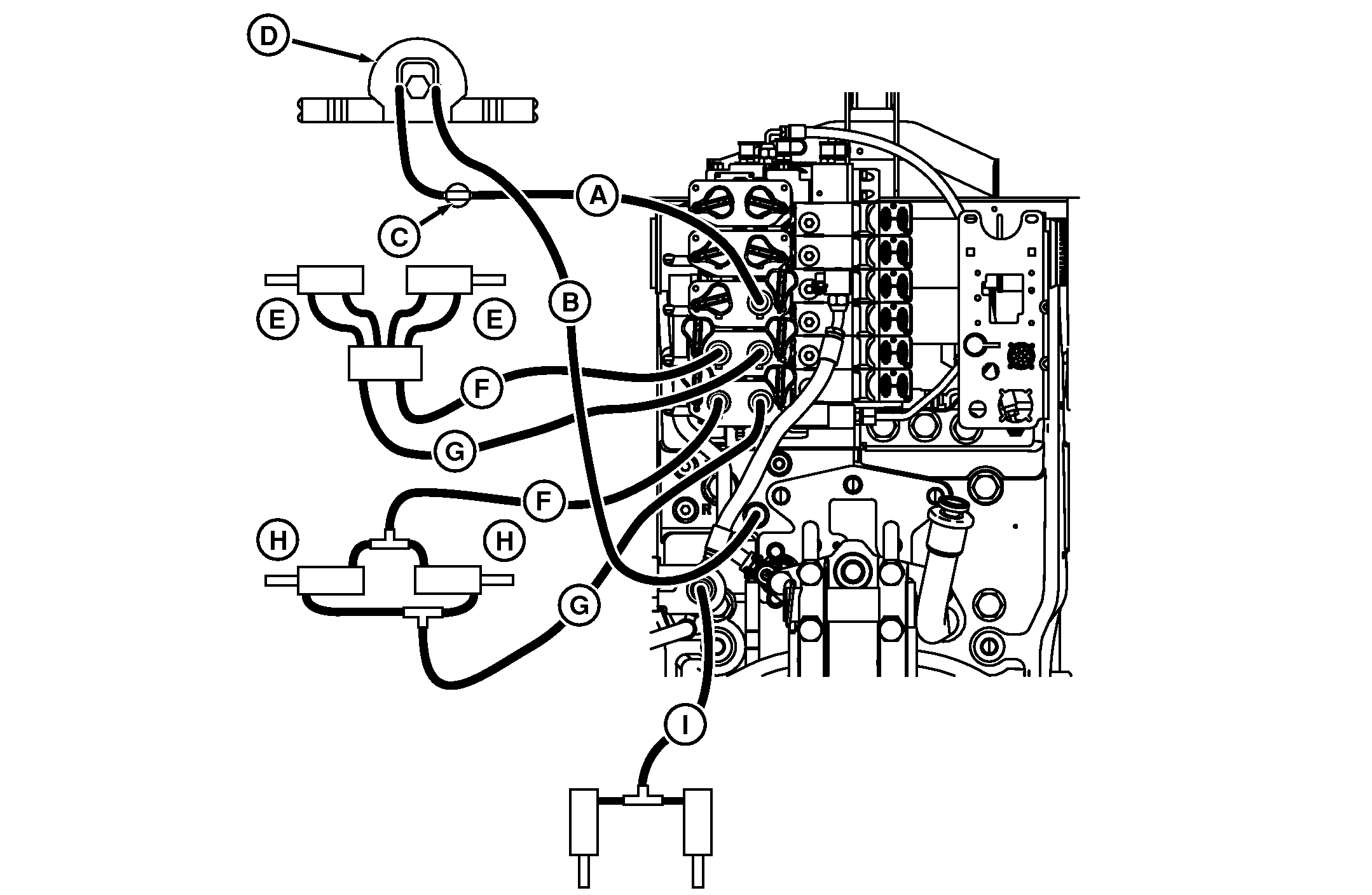
Ejemplo 5 de conexión de aperos — Sembradora con
motor de vacío, tubería de retorno al retorno de motor
y auxiliar de elevación

RXA0096597-UN-13AUG08
A - Tubería de presión
B - Tubería de retorno
C - Válvula reguladora de caudal (completamente
abierta)
D - Motor de vacío
E - Pliegue
F - Línea de extensión del acople
G - Línea de retracción del acople
H - Marcadores
I - Auxiliar de elevación
En esta aplicación el motor de vacío (D) recibe
el aceite a presión de la boca de retracción de la VMD.
El aceite de retorno se dirige a la boca de retorno de la suplementación
de potencia. Si la manguera de retorno está equipada con una
punta especial, ésta podrá conectarse directamente a
la boca de extensión de la VMD#3. Cuando se apaga el motor,
la palanca de la VMD se traslada a la posición de flotación
para permitir que el motor se desacelere hasta pararse. Si se mueve
la palanca al punto muerto, se producirá una parada súbita
del motor hidráulico y esto puede dañar los retenes.
La válvula reguladora (C) está completamente abierta
y el caudal se controla mediante el tablero de mando del tractor.
Si para controlar el caudal de aceite se utiliza la válvula
reguladora, la bomba hidráulica funcionará a la presión
máxima, lo que podrá a su vez ocasionar el sobrecalentamiento
del aceite hidráulico cuando la temperatura del aire exterior
sea alta.
El aceite del cilindro de asistencia a la elevación se
conecta a la boca de la válvula auxiliar del enganche, que
es controlada por las posiciones seleccionadas para la palanca de
mando en la cabina.
|
|
OURX935,0000859-63-20090122
|
|