Category 4 Heavy Duty Drawbar Kit Load Limitations-If Equipped

IMPORTANT: Heavy implements together with rough terrain and speed can place excessive strain on drawbar.

Do not exceed maximum static vertical load for a given drawbar length/position, as indicated in the following table.

Heavy duty drawbar support must be used when maximum static vertical load exceeds 2043 kg (4500 lb).

Special cap screws are used on drawbars. See your John Deere dealer if cap screws must be replaced.

IMPORTANT: Heavy Duty Drawbar Kit must be installed when maximum static vertical load on the category 4 drawbar exceed 2470 kg (5450 lbs) in the short position or 2268 kg (5000 lbs) in the long position.

The kit is available from your John Deere dealer.

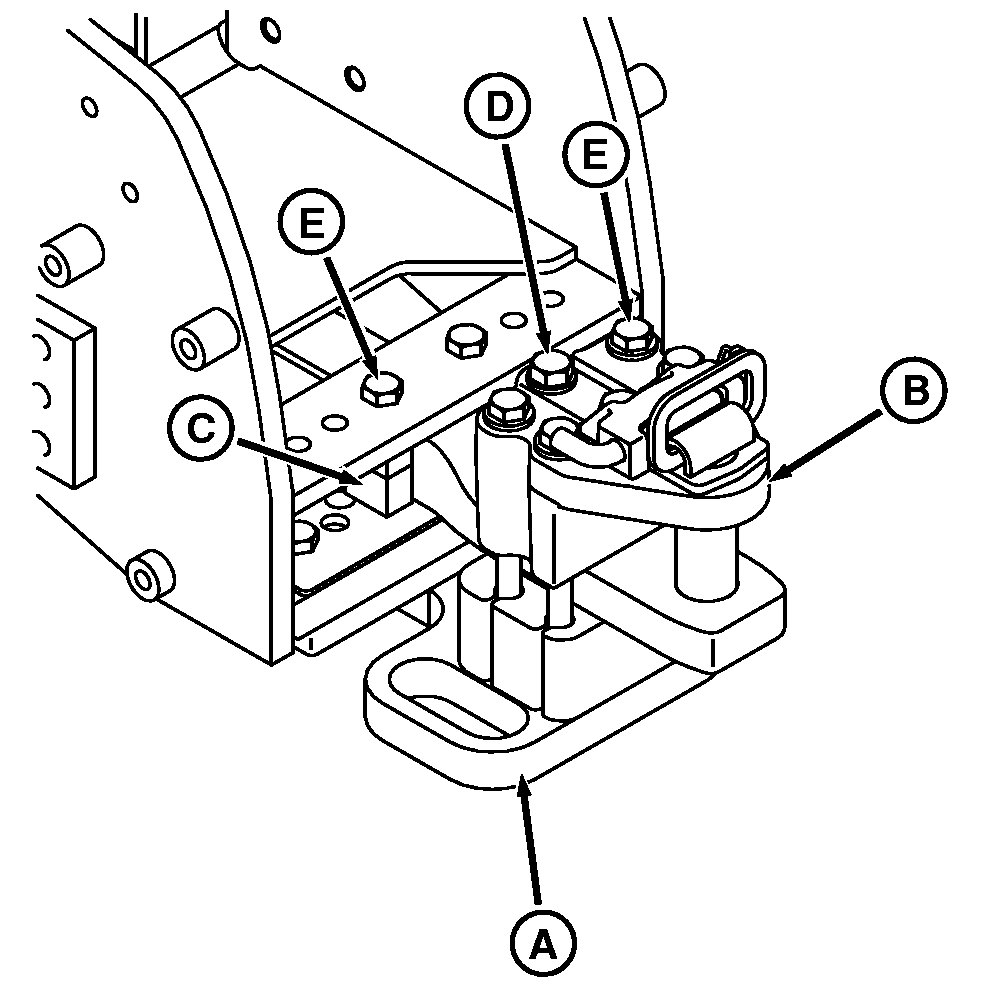
Attach drawbar brace (A), hammerstrap (B) and spacer block (C) using cap screws (D) and (E).

RXA0073984

Heavy Duty Drawbar Support


A-Drawbar Brace
B-Hammerstrap
C-Spacer Blocks
D-Cap Screws, M22
E-Cap Screws, M20

RW29387,000029C -19-08SEP08-1/3


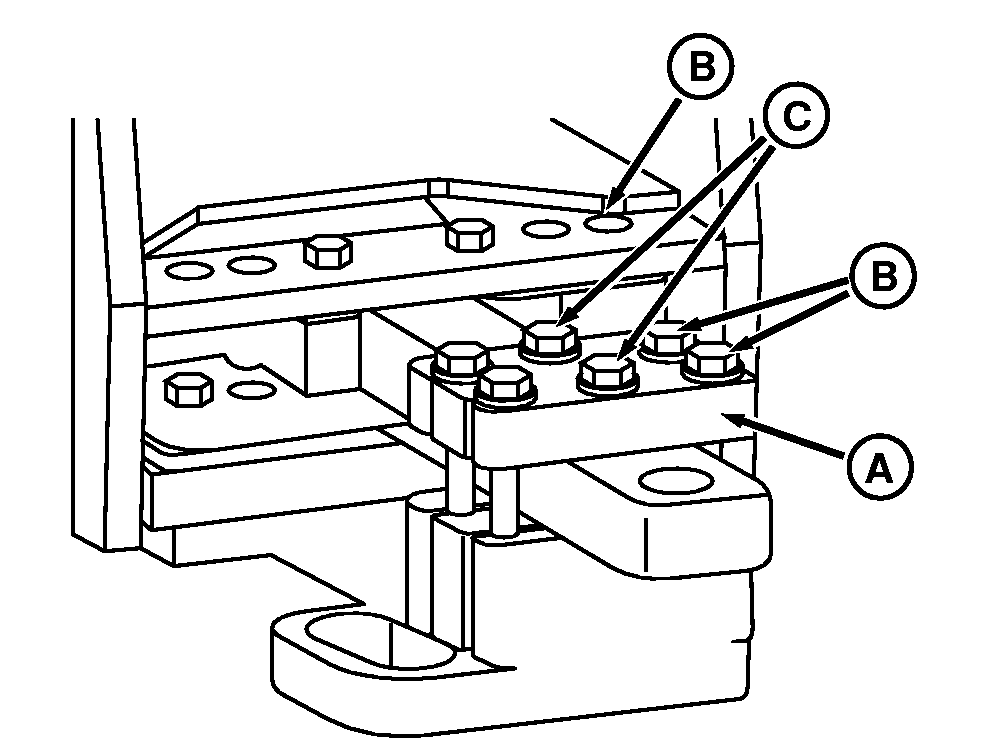
IMPORTANT: Clamp plate must be installed to retain the category 4 drawbar brace when hammerstrap is not used.

Install clamp pate (A) using cap screw (B) and (C).


A-Plate
B-Cap Screws, M22
C-Cap Screws, M20

RXA0073936

Heavy Duty Hammerstrap

RW29387,000029C -19-08SEP08-2/3


Torque cap screws in crisscross sequence:

A Torque number 1 B Torque number 4 C Torque number 2 D Torque number 3 E Torque number 1 F Torque number 4 G Torque number 2 H Torque number 3 I Torque number 5 J Torque number 6 K Torque number 5 L Torque number 6

Torque Specifications - Specification

Cap Screws 1, 2 3 and 4. -Torque 610 N·m 450 lb-ft
Cap Screws 5 and 6 -Torque 750 N·m  550 lb-ft

RXA0073937

RW29387,000029C -19-08SEP08-3/3