Category 4 Heavy Duty Drawbar Kit Load Limitations-If Equipped

IMPORTANT: Heavy implements together with rough terrain and speed can place excessive strain on drawbar.

Do not exceed maximum static vertical load for a given drawbar length/position, as indicated in the following table.

Heavy duty drawbar support must be used when maximum static vertical load exceeds 2043 kg (4500 lb).

Special cap screws are used on drawbars. See your John Deere dealer if cap screws must be replaced.

IMPORTANT: Heavy Duty Drawbar Kit must be installed when maximum static vertical load on the category 4 drawbar exceeds 2470 kg (5450 lbs) in the short position or 2268 kg (5000 lbs) in the long position.

The kit is available from your John Deere dealer.

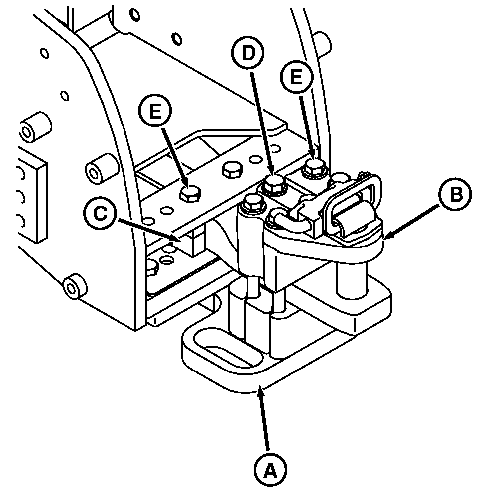
Attach drawbar brace (A), hammerstrap (B) and spacer block (C) using cap screws (D) and (E).

RXA0073984

Heavy Duty Drawbar Support


A-Drawbar Brace
B-Hammerstrap
C-Spacer Blocks
D-Cap Screws, M22
E-Cap Screws, M20

RW29387,00005A4 -19-27MAR07-1/4


Drawbar Load Limits Based on Drawbar Position, Length and PTO Type
 
Tractor Model and Drawbar Category End of PTO Shaft to Draw Pin Hole Distance (C) Drawbar Position Maximum Vertical Drawbar Load
9330-9430 with Cat 4 Drawbar 508 mm (20 in.) Rear Hole in Frame (Long Position) 2268 kg (5000 lb)
9330-9430 with Cat 4 Drawbar 358 mm (14 in.) Front Hole in Frame (Short Position) 2470 kg (5450 lb)
9330-9430 with Cat 4 Drawbar and Cat 4 Drawbar Reinforcement Kit 508 mm (20 in.) Rear Hole in Frame (Long Position) 4082 kg (9000 lb)
9330-9430 with Cat 4 Drawbar and Cat 4 Drawbar Reinforcement Kit 358 mm (14 in.) Front Hole in Frame (Short Position) 4900 kg (11000 lb)
9530-9630 with Cat 5 Drawbar and 3-Point Hitch N/A Single Position Drawbar 4580 kg (10100 lb)
9530-9630 with Cat 5 Drawbar and Cat 5 Drawbar Support N/A Single Position Drawbar 5440 kg (12000 lb)
Category 4 = 51 mm (2 in.) Diameter Pin
Category 5 = 70 mm (2.75 in.) Diameter Pin

 

RW29387,00005A4 -19-27MAR07-2/4


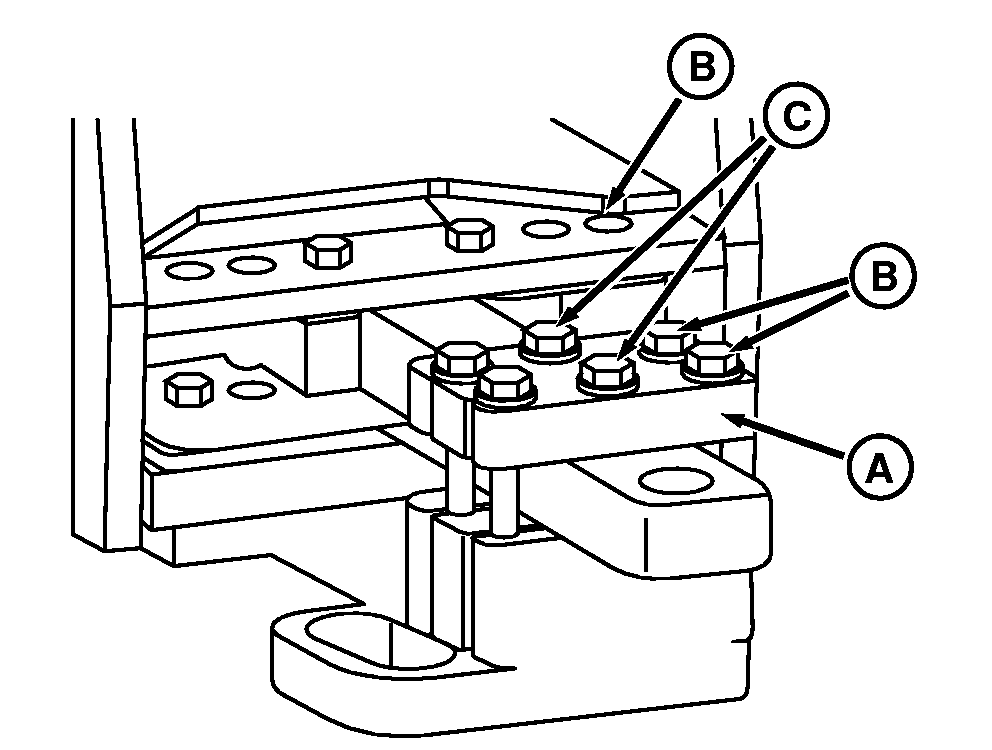
IMPORTANT: Clamp plate must be installed to retain the category 4 drawbar brace when hammerstrap is not used.

Install clamp pate (A) using cap screws (B) and (C).


A-Plate
B-Cap Screws, M22
C-Cap Screws, M20

RXA0073936

Heavy Duty Hammerstrap

RW29387,00005A4 -19-27MAR07-3/4


Torque cap screws in crisscross sequence:

A Torque number 1 B Torque number 4 C Torque number 2 D Torque number 3 E Torque number 1 F Torque number 4 G Torque number 2 H Torque number 3 I Torque number 5 J Torque number 6 K Torque number 5 L Torque number 6
RXA0073937
Item Measurement Specification
Torque Specifications

Cap Screws 1, 2, 3 and 4

Torque 610 N·m
450 lb-ft

Cap Screws 5 and 6

Torque 750 N·m
550 lb-ft

RW29387,00005A4 -19-27MAR07-4/4