Using Hydraulic Spray Pumps

NOTE: Not recommended for high flow scraper hydraulics.

1. Follow spray pump manufacturers recommendations for pump model selection, setup and operation.

NOTE: Select the smallest displacement motor recommended for multiple hydraulic function operation. The smaller displacement will lower total hydraulic flow demand and improve overall system performance.

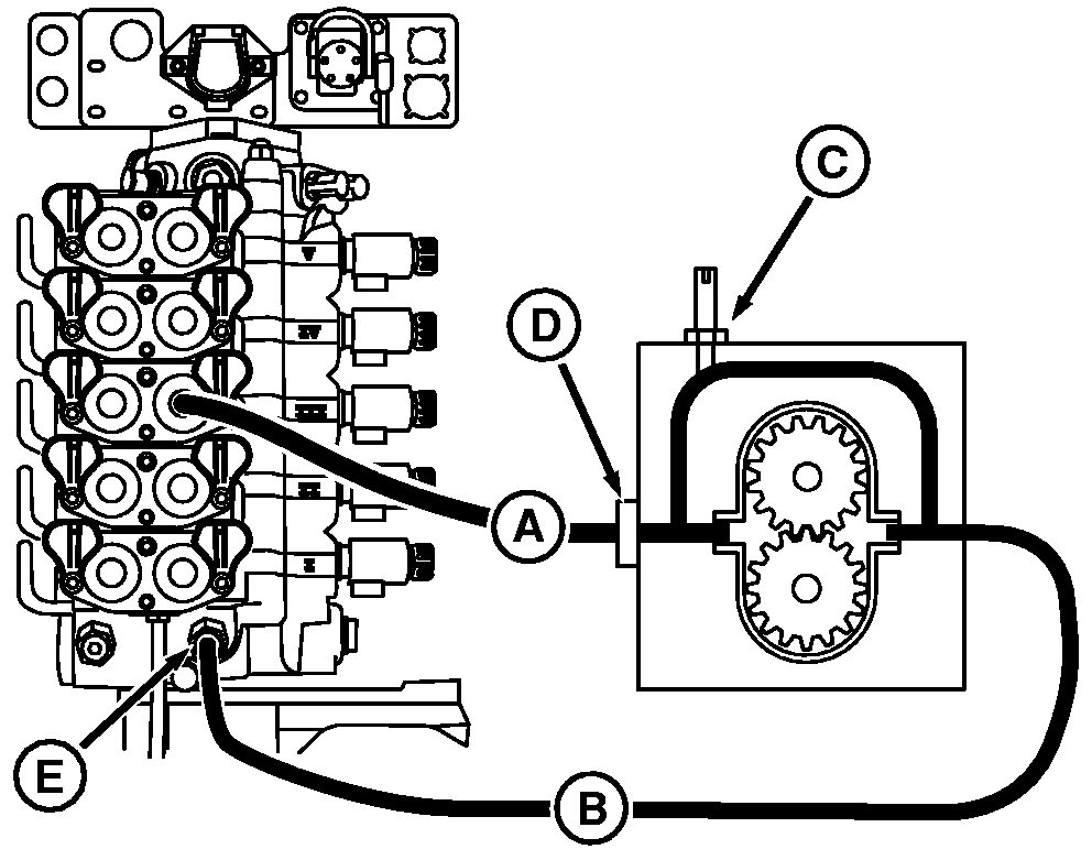
3. Connect motor pressure line (A) to retract port of SCV (right-hand side).

NOTE: Use of SCV 3, 4, or 5 for standard hydraulic system is suggested. Use SCV 4 or 5 for High Flow hydraulic system and no hitch. Use SCV 3 or 4 for High Flow hydraulic system and with hitch.

4. Connect return line (B) to power beyond return coupler (E).

5. Activate SCV by moving lever forward to retract detent position and adjust hydraulic flow rate per pump manufacturers guidelines.

6. Shut off spray pump by moving SCV control lever to float position (full forward and down). Stopping spray pump by moving SCV to neutral position will cause high pressure oil to be trapped between SCV and pump. This may cause damage to spray pump seals. This applies to motors using the SCV pressure and return couplers.

IMPORTANT: Some motors are not equipped with over-speed protection. Extended operation above recommended speed can cause failure.

RXA0073378

Spray Pump (Less Hitch)


A-Pressure Line
B-Return Line
C-Needle Valve (Closed)
D-Inlet Line Orifice (Remove)
E-Power Beyond Return Coupler

RW29387,000028B -19-05NOV07-1/1