Attaching Linkage Drawbar Tongue to the Tractor

IMPORTANT: Before attaching the linkage drawbar tongue to the tractor, make sure that all adjustments described under "Preparing the Tractor" and "Preparing the Mower-Conditioner" sections have been done.

Carefully follow the procedure below prior to attaching the linkage drawbar tongue to the tractor.

Lower platform to the ground.

Tongue with Direct Hitch

Connect hitch pins (A) to the draft links (B) and secure with quick-lock pins. Put the tongue in working position as described in "Transporting the Mower-conditioner" Section.

Raise tongue until distance (C1) or (C2) is achieved as explained in "Preparing the Mower-Conditioner" section.

With the tongue end (D) in either of these positions, vertical distance (E) between front and rear hook-up joint center lines should be approx. 35 mm (1.37 in.) as shown opposite. Re-adjust distance (C1) or (C2) if necessary to meet the distance (E).

CC1017982

Tongue equipped with Direct Hitch


A-Hitch pins
B-Draft links
C1-298 mm (11.73 in.)
C2-228 mm (8.97 in.)
D-Tongue end
E-35 mm (1.37 in.)
J-Tongue height resume chain
K-Strap

AG,OUCC006,358 -19-10MAY00-1/3


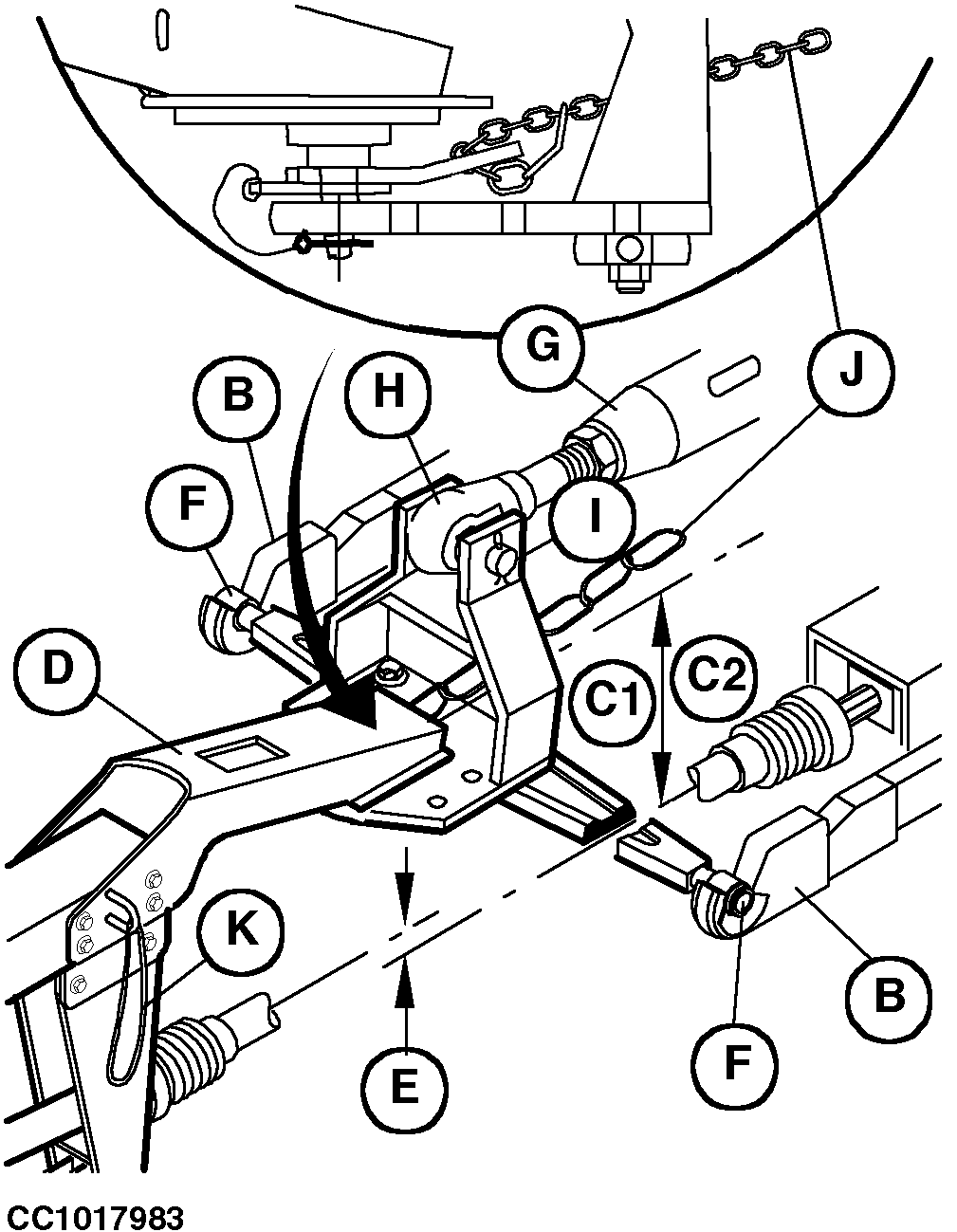
Tongue with Hitch Extension

Connect hitch pins (F) to the draft links (B) and secure with quick-lock pins. Align center link (G) with upper attaching hole (H), insert upper hitch pin (I), then secure with quick-lock pin. Adjust center link (G) length so that base plate of hitch extension is levelled, then put the tongue in working position as described in "Transporting the Mower-conditioner" Section.

Raise tongue until distance (C1) or (C2) is achieved as explained in "Preparing the Mower-Conditioner" section.

With tongue end (D) in either of these positions, distance (E) between front and rear hook-up joint axles should be approx. 35 mm (1.37 in.) as shown opposite. Re-adjust distance (C1) or (C2) if necessary to meet the distance (E).


B-Draft links
C1-298 mm (11.73 in.)
C2-228 mm (8.97 in.)
D-Tongue end
E-35 mm (1.37 in.)
F-Hitch pins
G-Center link
H-Upper attaching hole
I-Upper hitch pin
J-Tongue height resume chain
K-Strap

CC1017983

Tongue equipped with Hitch Extension

AG,OUCC006,358 -19-10MAY00-2/3


IMPORTANT: When operating mower-conditioner, adjust the position of the draft links so that distance (E) of 35 mm (1.37 in.) is maintained. This is the standard operating position of the tongue and should be maintained at all times. Failure to do so could result in damage to the telescoping hook-up and cutterbar.

If the tongue is equipped with the tongue height resume chain (J), then attach chain (J) to the tractor so that chain is just tightened. This chain allows the initial tongue operating position to be maintained when lowering the three-point hitch.

If the tongue is not equipped with the tongue height resume chain (J), then refer to your tractor Operator's Manual to maintain the three-point hitch at the position required for operating the tongue.

IMPORTANT: NEVER use the tongue height resume chain (J) for towing!

Once the tongue is attached, always refer to "Adjusting Telescoping Hook-up" in this Section to properly adjust the length of the telescoping hook-up. This procedure MUST BE followed EACH TIME THE LINKAGE DRAWBAR TONGUE IS ATTACHED TO A DIFFERENT TRACTOR! Failure to do so could lead to hook-up damage.

NOTE: Make sure that telescoping hook-up strap (K) stays clear of tractor components at all times.


A-Hitch pins
B-Draft links
C1-298 mm (11.73 in.)
C2-228 mm (8.97 in.)
D-Tongue end
E-35 mm (1.37 in.)
F-Tractor hitch pins
G-Center link
H-Upper attaching hole
I-Upper hitch pin
J-Tongue height resume chain
K-Strap

CC1017982

Tongue equipped with Direct Hitch

CC1017983

Tongue equipped with Hitch Extension

AG,OUCC006,358 -19-10MAY00-3/3