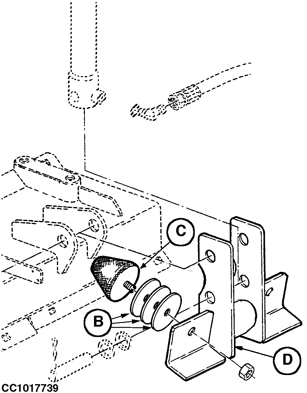
Leveling Grouper Canvas Frame

To obtain the best performance, canvas frame front beam (A) should always be parallel to the ground or have its left-hand end higher than the right-hand end.

Adjust canvas frame leveling by adding or removing shims (B) between shock-absorbers (C) and lift cylinder support (D).


A-Front beam
B-Shims
C-Shock absorbers
D-Lift cylinder support

CC000188
CC1017739

AG,OUCC006,370 -19-15MAY00-1/1