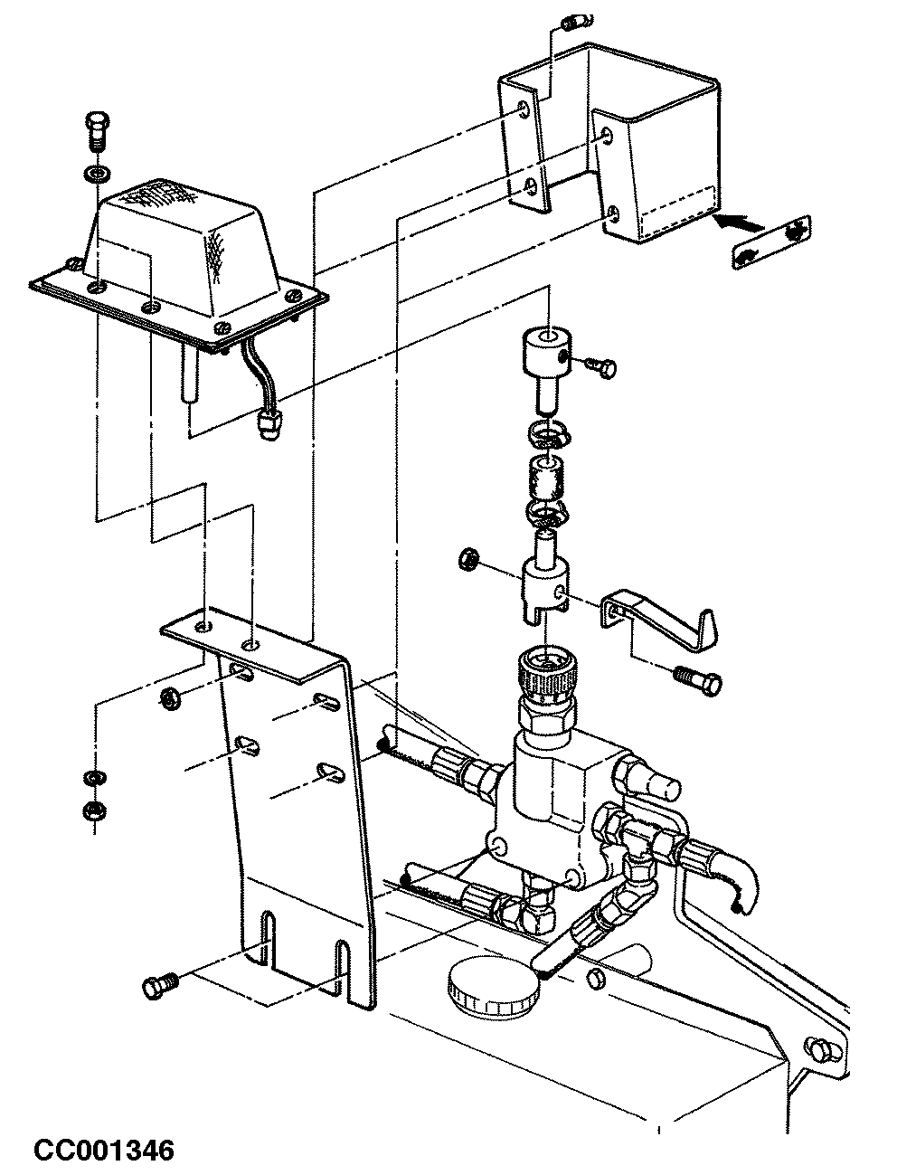
Grouper Canvas Speed Remote Control (For Self-Contained Hydraulic Circuit Drive Option Only)

This attachment consists of an electric motor installed on top of the canvas speed hydraulic control valve and is activated by a switch from the tractor cab. A visual indicator shows the setting of the canvas speed.

With this equipment the canvas speed can be set on-the-go which is very convenient when the field conditions change.

CC001346

CC,1350MC001843 -19-24AUG94-1/1