Adjusting Grouper Raising and Lowering Time

To avoid premature wear of grouper components, raising and lowering time must not be below 1.5 seconds.

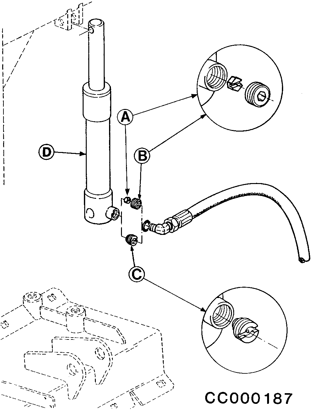
When attaching mower-conditioner to the tractor, always carry out a short test by raising and lowering the grouper; check the time taken.

Depending on the tractor hydraulic flow, install either orifice (A) and plate (B), or orifice (C) as shown in port of grouper lift cylinder (D) so that the time taken is over 1.5 seconds.

IMPORTANT: To install orifice (A) and plate (B), proceed as follows: Insert orifice (A) first with notch towards the outside then plate (B). Fully screw on plate (B) then loosen it one turn to allow the orifice (A) to float.


A-Orifice
B-Plate
C-Orifice
D-Lift cylinder

CC000187

CC,1350MC001909 -19-27AUG94-1/1