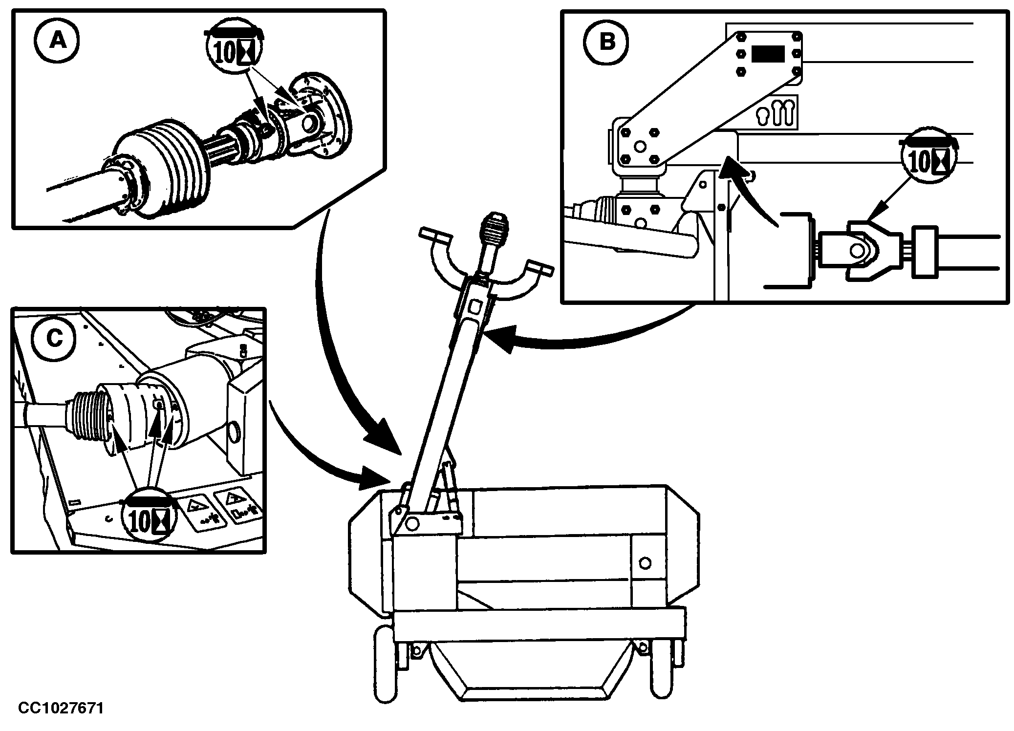
Every 10 Hours
A -PTO hook-up
B-Drive line
| C-Direct hitch ball joint
| D-Hitch extension ball joint
| E-Ball joint hitch
|
|
Lubricate with John Deere GREASE-GARD.
|
|
|
|
OUCC006,0000FAC -19-24OCT05-1/4
|
| | A-Drive line overrunning joint (if equipped)
| B-Swivel hitch intermediate shaft yoke
| C-Swivel hitch shaft yoke
|
|
|
Lubricate with John Deere GREASE-GARD.
|
|
|
|
OUCC006,0000FAC -19-24OCT05-2/4
|
| | A-Platform right-hand lower link joint
| B-Right and left-hand cylinder pins
| C-Idler pivot pin
|
|
|
Lubricate points (A) and (B) with John Deere GREASE-GARD.
|
Lubricate point (C) with SAE 30 oil.
|
|
|
OUCC006,0000FAC -19-24OCT05-3/4
|
|
Check canvas tension. Adjust if necessary (see "Adjusting Grouper Canvas Tension" in "Service" Section).
|
|
|
|
OUCC006,0000FAC -19-24OCT05-4/4
|
|