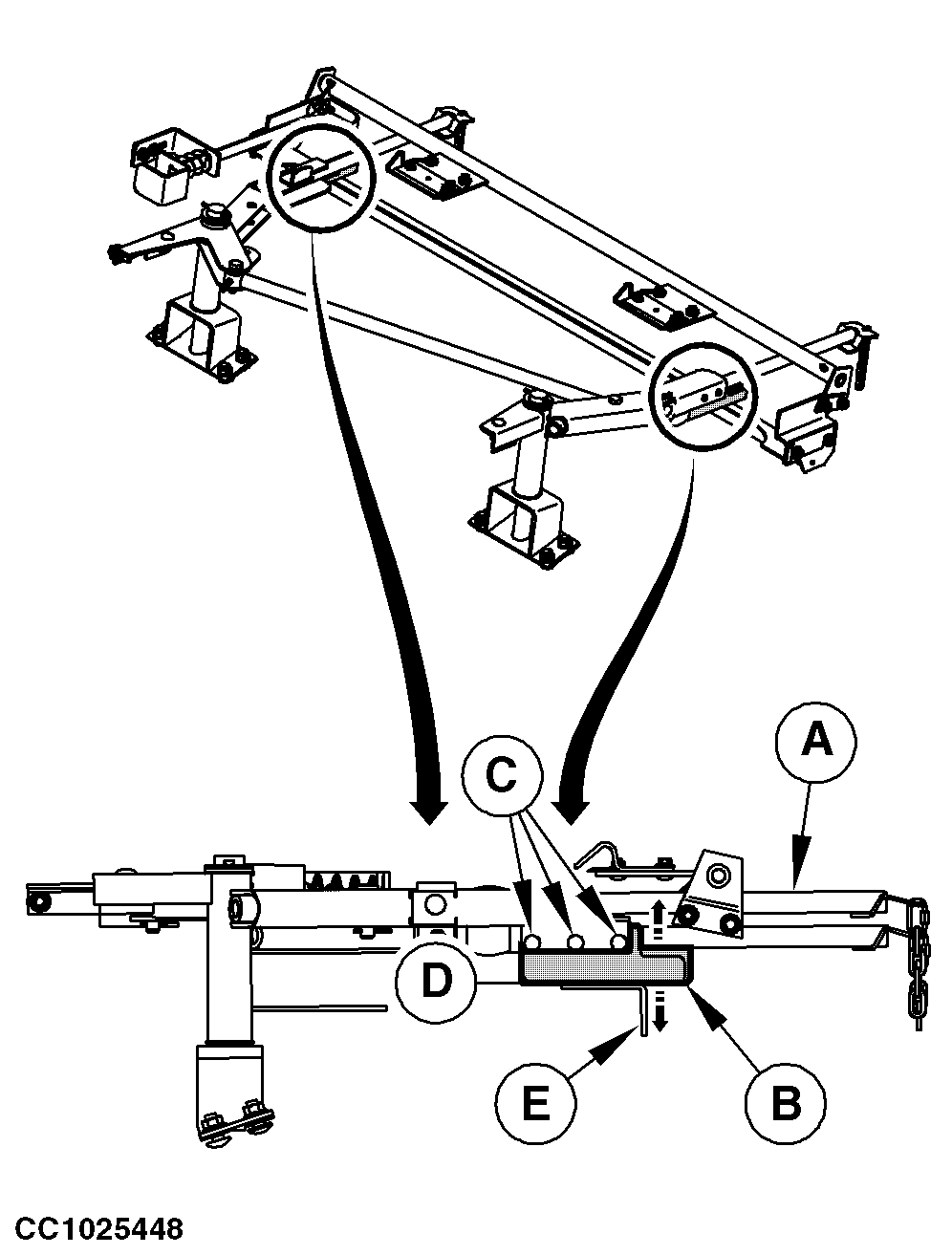
Adjusting Flaps (Double Arm Twine Tying)

causym CAUTION: Keep clear of the machine while operating twine arms.

1. Extend twine arm (A) to place flap (B) in front of anvil (E).

2. Switch off monitor.

3. Loosen bolts (C).

4. Slide flap (B) until it contacts anvil (E).

5. Tighten bolts (C).

6. Repeat adjustment on the other twine arm.


A-Twine arm
B-Flap
C-Bolts
D-0 mm (0 in.)
E-Anvil

CC1025448

OUCC006,0000BC5 -19-17AUG04-1/1