Every 50 Hours - Check Mounting Frame Hardware (5E Series 4-Cylinder
Tractors)

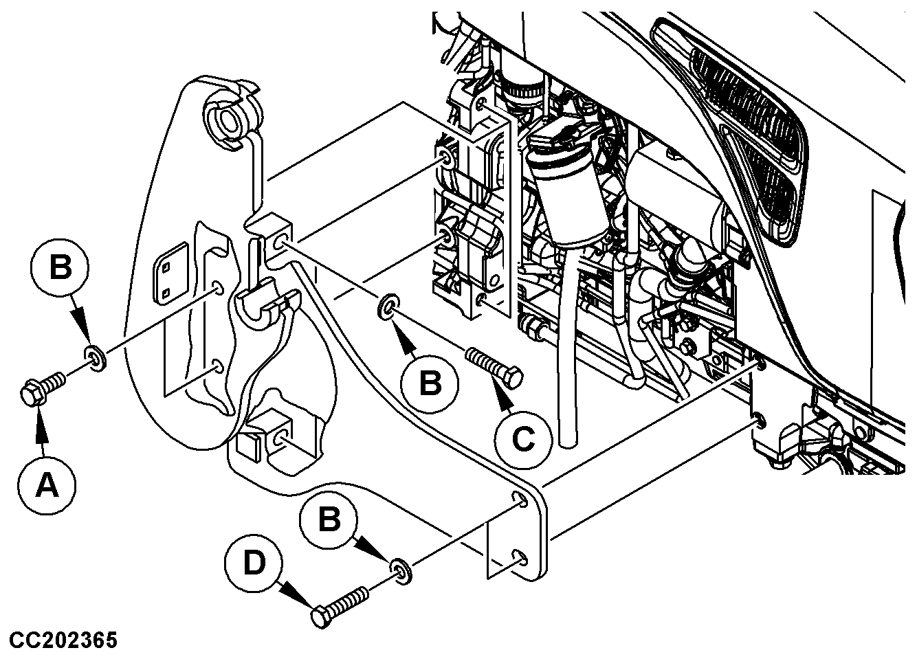
CC202365-UN-09JUL13

CC202366-UN-09JUL13
A - Cap Screw with Flange
B - Washer
C - Cap Screw
D - Cap Screw
IMPORTANT: Help prevent damage to the tractor or loader caused
by operating with loose mounting hardware. Tightening loader mounting
frame hardware after first 3 hours of loader operation is critical.
Tighten again after 10 hours and every 50 hours thereafter.
Tighten six cap screws (A), (C) and (D) on both sides to specification
using tightening sequence shown.
| Item | Measurement | Specification |
|
Cap Screw with Flange (A) | Torque | 530 N·m (390 lb.-ft.) |
|
Cap Screw (C) | Torque | 610 N·m (450 lb.-ft.) |
|
Cap Screw (D) | Torque | 530 N·m (390 lb.-ft.) |
|
Hardware used on loader mounting frame
|
|
Item
|
Designation
|
Standard
|
Dimension
|
Identification / Grade
|
Coating
|
|
(A)
|
Cap screw with flange
|
JDS123
|
M20 x 2.5 x 55
|
10.9
|
Zinc
|
|
(C) and (D)
|
Cap screw
|
ISO4014
|
M20 x 2.5 x 90
|
10.9
|
Zinc
|
|
Hardware used on loader mounting frame
|
|
Item
|
Designation
|
Standard
|
Dimension - Inside
|
Dimension - Outside
|
Thickness
|
Material
|
Coating
|
|
(B)
|
Washer
|
JDS130
|
21.4 mm (0.8 in.)
|
42 mm (1.6 in.)
|
5 mm (0.2 in.)
|
300HV
|
Zinc
|
|
|
OUCC006,0001A9C-19-20130717
|
|