Harvest Performance Monitor

CQ191871


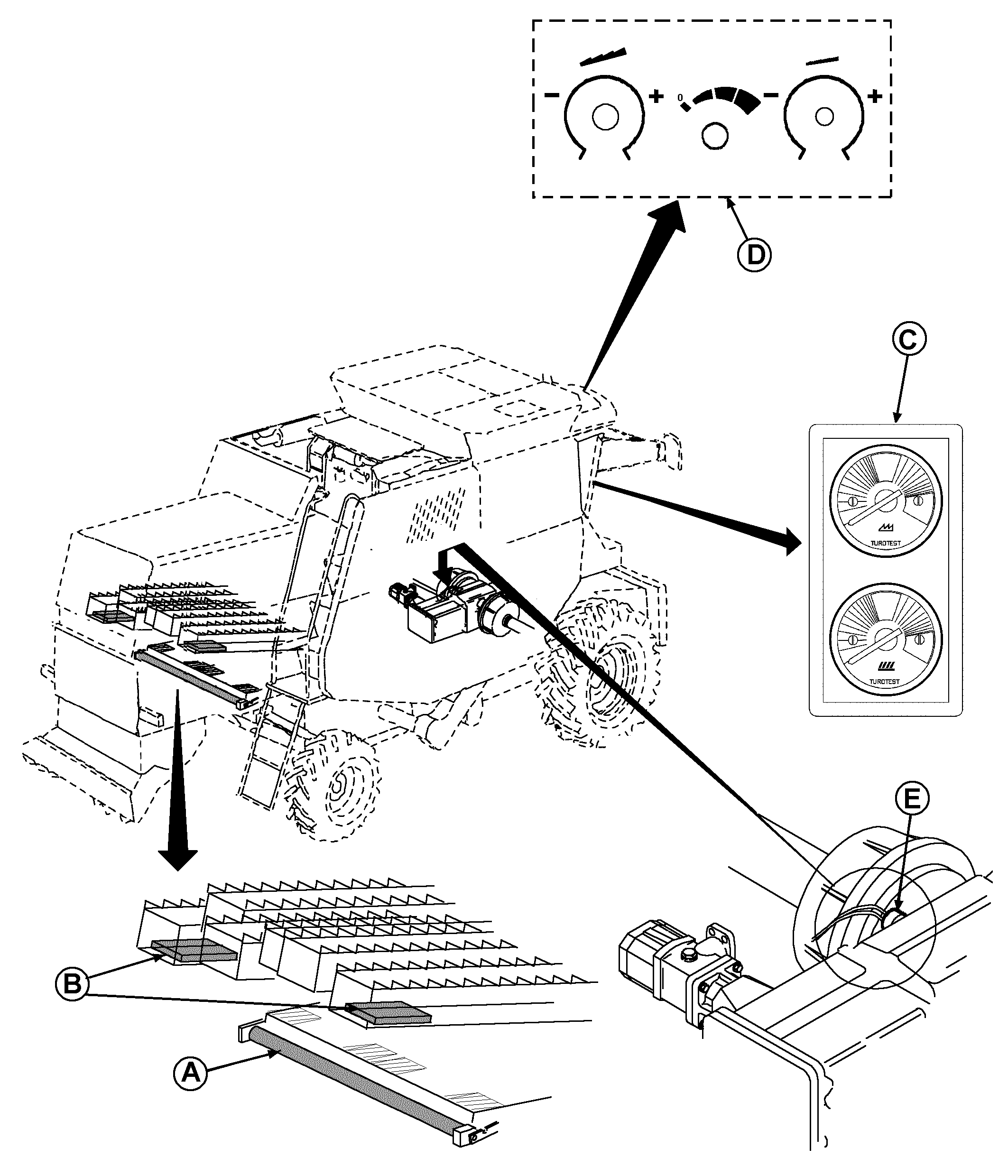
A-Cleaning shoe sensor
B-Straw walker sensors


C-Display unit


D-Adjusting/selecting unit


E-Ground speed sensor

AG,CO03622,1452 -19-11NOV02-1/2


General Description

The harvest performance monitor records the amount of grains that hit its sensors at the cleaning shoe (A) and straw walkers (B). Ground speed is measured via sensor (E). Once this factor has been taken into account, the loss rate is displayed at display unit (C). Display unit (C) indicates the loss level that is acceptable to the user in relation to the area harvested.

The performance monitor enables the operator to use maximum combine capacity within the performance

range selected by him. After the operator has adjusted the combine and cutting platform to suit the harvesting conditions, he must set the monitor to these conditions by means of the adjusting/selecting unit (D).

Incorrect adjustment and inadequate servicing of the combine always result in grain loss and reduced harvester performance. The causes of grain loss are dealt with in detail in the "Preparations and Field Operation" section. Particular attention should be paid to the information provided on "Determining Grain Losses" and "Prevention of Grain Losses - General".

AG,CO03622,1452 -19-11NOV02-2/2