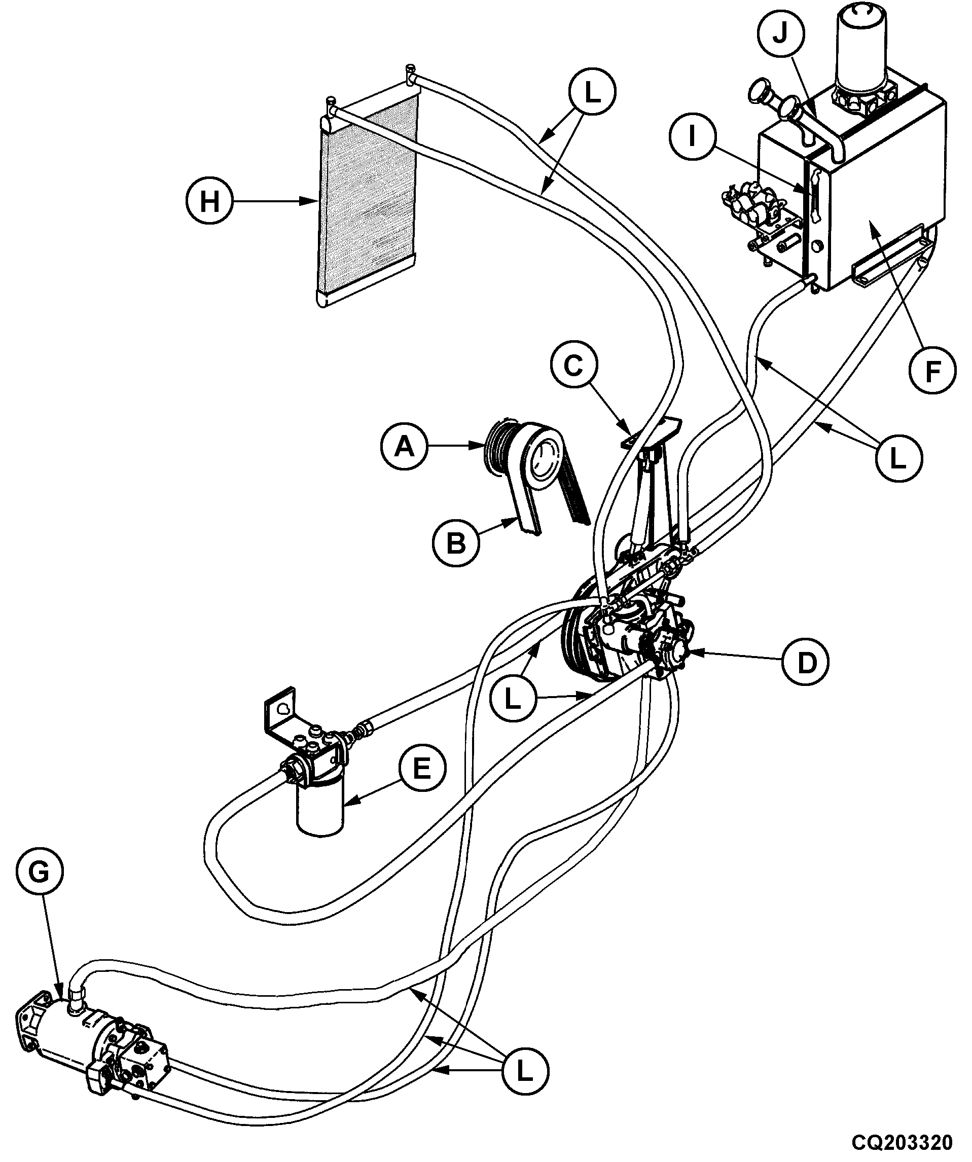
Hydrostatic Drive Components (1450 and 1550)

CQ203320


A-Engine power takeoff
B-Multi "V" belt
C-Idler hydraulic cylinder


D-Hydrostatic pump
E-Oil filter
F-Oil reservoir


G-Hydrostatic motor
H-Oil cooler
I-Level indicator


J-Oil filler neck
L-Hoses

AG,CO03622,2254 -19-15MAR02-1/1