Adjusting Automatic Cutting Height Control and / or Header Lateral Tilt System

IMPORTANT: Each time there is a change in the adjustment of the header's cutterbar inclination shoes it will be necessary to adjust the automatic height control sensor.

To ensure adequate operation of the automatic cutting height control and the lateral tilt system it is necessary to adjust their components accordingly. Follow procedures below in the same sequence for adjusting.

AG,GG05155,153 -19-05APR06-1/13


Mechanical Part

Totally raise header and clean out sliding plates completely, especially in the safety coupling area of the stainless steel plates, as shown in figure.

CQ178080

AG,GG05155,153 -19-05APR06-2/13


Lower header until it "touches" ground. Adjust the angle of positioning of end shoes so that they are parallel to the ground.

CQ178090

AG,GG05155,153 -19-05APR06-3/13


Now adjust the remaining shoes so that the cutterbar is level. Carry out adjustment through bolt (A) and nut (B).

NOTE: Each time front tires are replaced by tires with a different size this adjustment must be checked again.

CQ178100

AG,GG05155,153 -19-05APR06-4/13


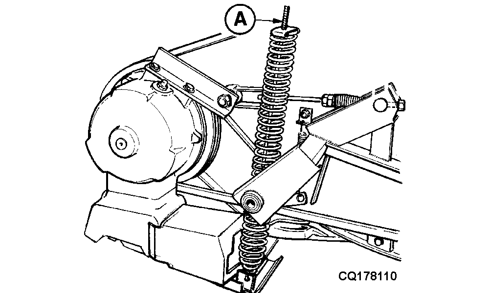
Adjust spring (A) at left-hand side of header next to the cutting mechanism drive housing so that the flexible drive is "light".

CQ178110

AG,GG05155,153 -19-05APR06-5/13


With the header raised adjust height indicator so that it shows "4".

CQ178120

AG,GG05155,153 -19-05APR06-6/13


Perform this adjustment using bolt (B) and nut (A).

CQ178130

AG,GG05155,153 -19-05APR06-7/13


Electrical Part - Automatic Cutting Height Control

Automatic cutting height control should have sufficient sensitivity. Proceed as follows to obtain this:

- With header suspended at approx. 200 mm (20 cm) above ground, turn ignition key to position (C). Turn engage switch to postion 3. Front LED (A) of sensor should light up.

CQ178141

AG,GG05155,153 -19-05APR06-8/13


- Suspend right-hand sensing shoe slightly by hand until the height indicator shows "3". Both sensor sides should remain switched off.

CQ178151

AG,GG05155,153 -19-05APR06-9/13


- Suspend right-hand sensing shoe a bit more until the height indicator indicates "2". Rear LED (B) of sensor should light up.

CQ178161

AG,GG05155,153 -19-05APR06-10/13


- Turn ACHC selector switch to position "1" and suspend right-hand sensing shoe of header completely (height indicator at "0"). Rear LED (B) should light up.

CQ178181

AG,GG05155,153 -19-05APR06-11/13


Electrical Part - Lateral Tilt System

- With header suspended at approx. 200 mm above ground and engine turned off, switch on main key. Lateral tilt system sensor LEDs (one at each side of header) should be ON. If LEDs do not come on, adjust sensor position so that the magnet is at approximately 25 mm from the sensor end.

CQ178170

AG,GG05155,153 -19-05APR06-12/13


Hydraulic Part - Adjusting Automatic Cutting Height Control and Header Lateral Tilt System

Disconnect header wiring harness (A) next to feeder house.

Start engine and accelerate completely (working position).

Actuate hydraulic valve block solenoids manually based on figure below:

Automatic cutting height control:

Actuate S4 to lower header.

Actuate S2 to raise header.

Lateral tilt system:

Actuate S1 + S5 simultaneously for header inlcination to the left .

Actuate S1 + S6 simultaneously for header inlcination to the right .

NOTE: If lateral tilt system is not operating satisfactorily after performing this adjustment contact your John Deere dealer for service.

CQ269090
CQ178200

AG,GG05155,153 -19-05APR06-13/13