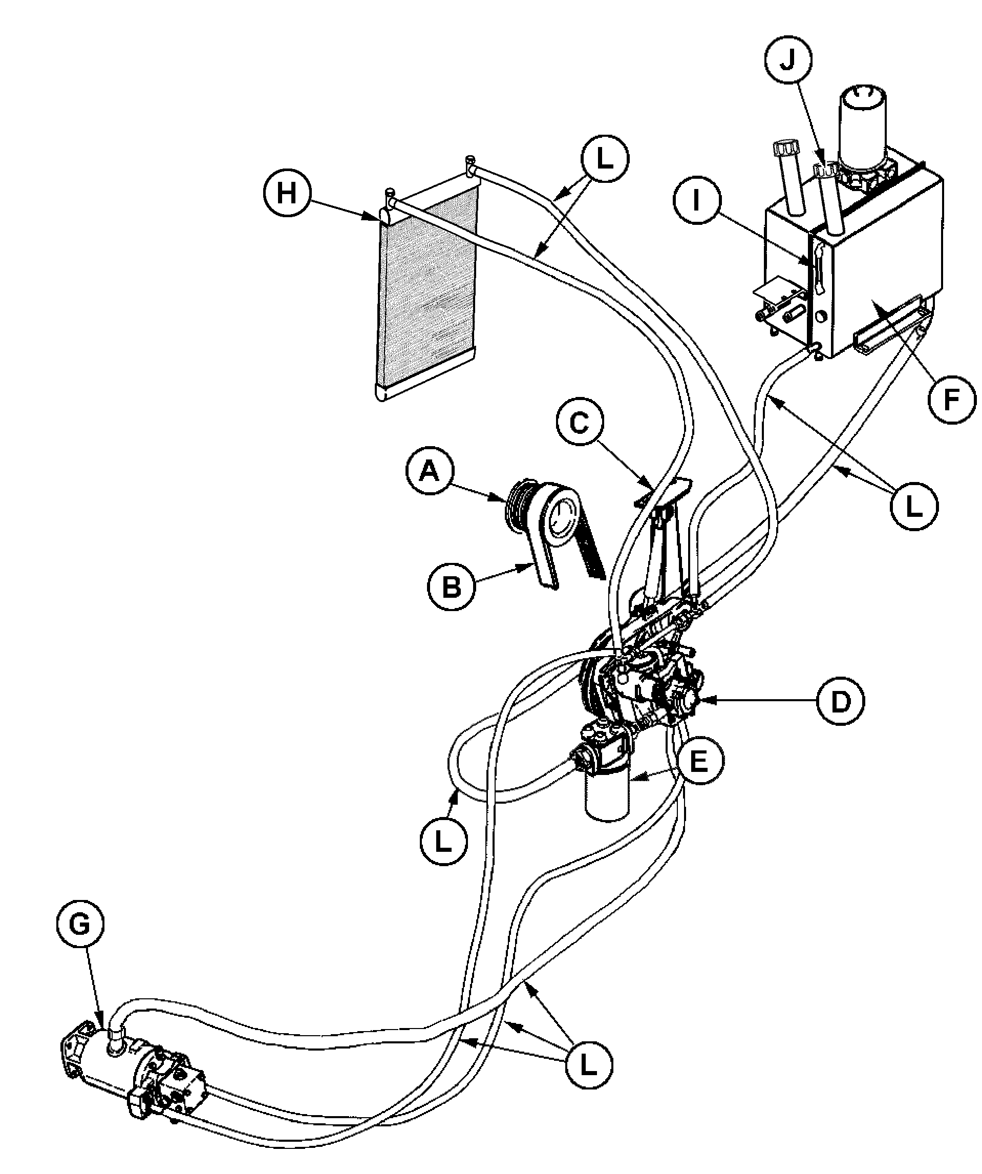
Hydrostatic Drive Components

CQ267700


A-Engine power takeoff
B-Belt
C-Tensioner hydraulic cylinder


D-Hydrostatic pump
E-Oil filter
F-Oil reservoir


G-Hydrostatic motor
H-Oil cooler
I-Level indicator


J-Oil filler neck
L-Hoses

OU64006,00000C1 -19-06MAR06-1/1