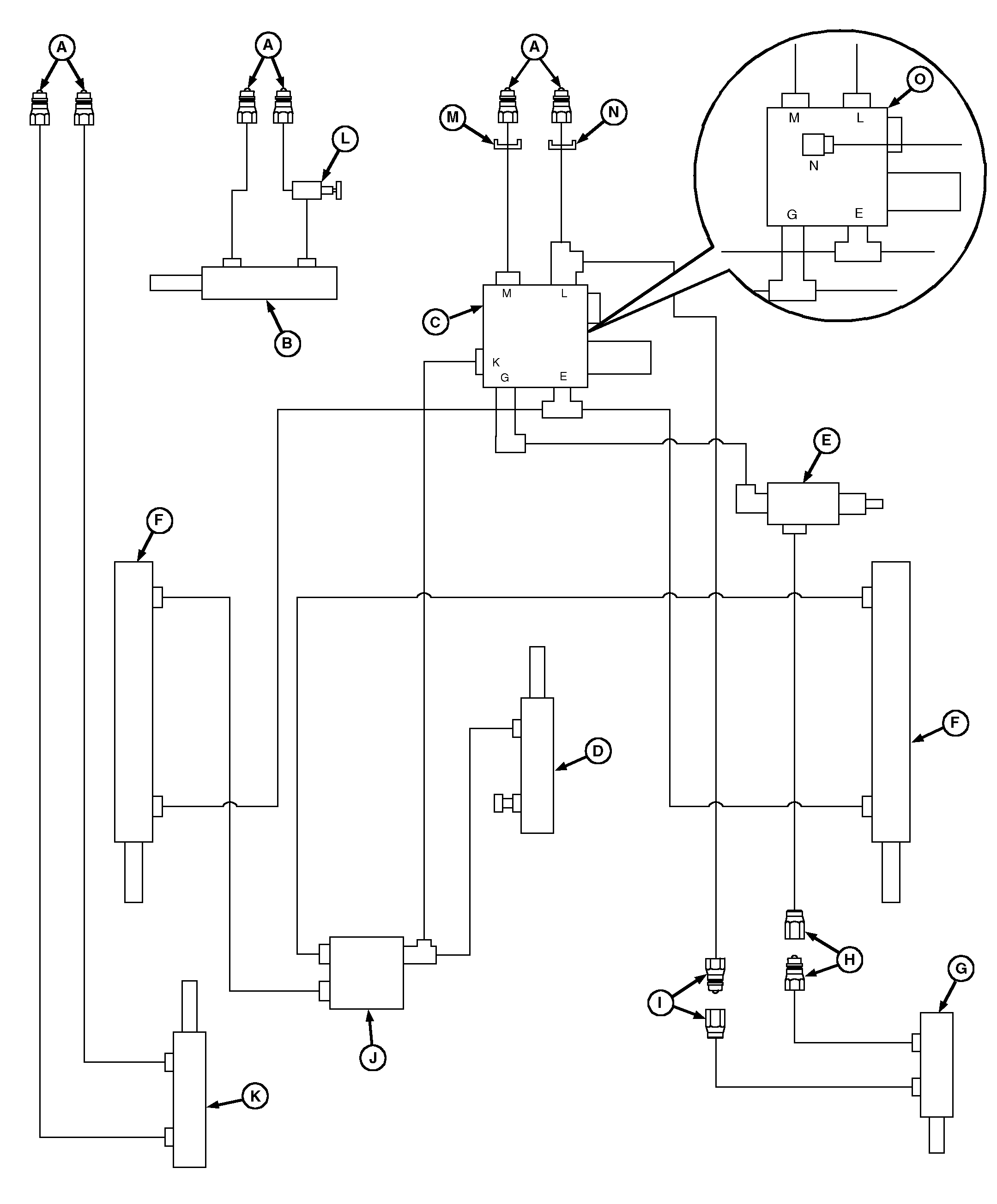
Hydraulic System Diagram

E47967

AG,OUMX005,1350 -19-19MAR00-1/2



A-To Tractor Quick-Coupler Ports
B-Twine Arm Cylinder (if equipped)
C-Tensioning Valve (Early Model)


D-Take-Up Arm Cylinder
E-Bale Ramp Regulator Valve (optional)
F-Tension/Gate Cylinders (2 used)
G-Bale Ramp Cylinder (optional)


H-Quick-Coupler
I-Quick-Coupler
J-Gate Lock Valve
K-Pickup Lift Cylinder (optional)


L-Flow Valve (if equipped)
M-Orifice (stamped 351)
N-Orifice (stamped 361)
O-Tensioning Valve (Later Model)

Hydraulic system for the balers use the following major components:

  • Tensioning valve (C or O)-Used to direct oil flow, check flow, and limit hydraulic pressures.
  • Tension/gate ( double-acting ) cylinders (F)-Used to raise and lower the gate and to control bale tensioning.
  • Take-up ( single-acting ) cylinder (D)-Used to provide proper sequencing between the tension arm
    and gate opening. Also, it help control belt slack during gate closing to avoid belt pinching.
  • If equipped, twine arm ( double-acting ) cylinder (B)-Used to actuate twine arms to wrap bale.
  • Optional pickup lift ( double-acting ) cylinder (K)-Used to raise and lower pickup using tractor SCV.
  • Optional bale ramp ( double-acting ) cylinder (G)-Used to automatically lower/raise bale ramp when gate is opened fully.

AG,OUMX005,1350 -19-19MAR00-2/2