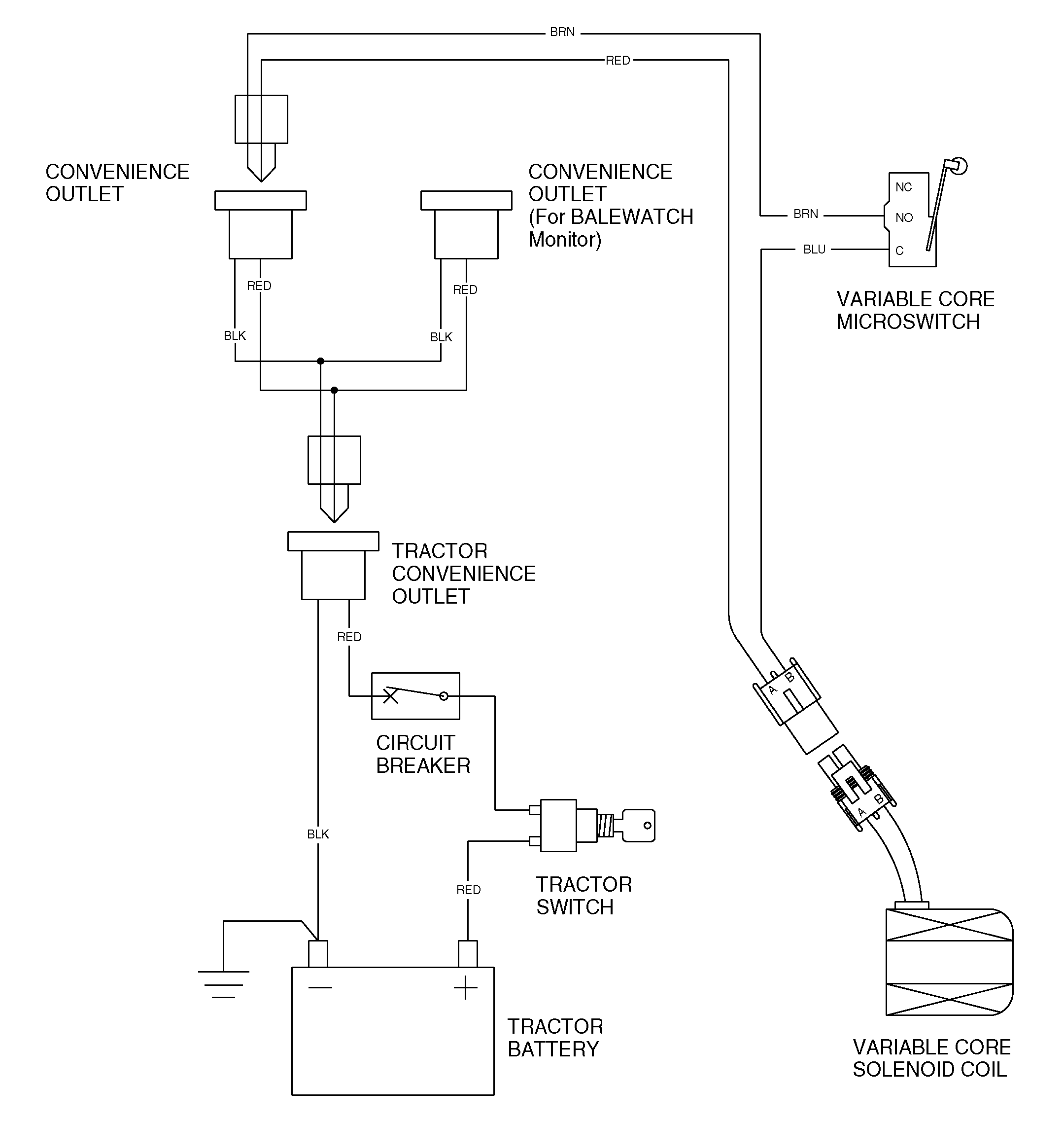
Variable (Soft) Core Wiring Diagram (If Equipped)

E39190

EX,556P,C -19-21FEB96-1/1