Attaching to Tractor

causym CAUTION: To avoid bodily injury or machine damage whenever an implement is attached, put transmission in PARK position and check the full range of hitch for interference, binding, or PTO separation.

Do not stand between tractor and implement.

NOTE: John Deere 7000 Series tractor shown throughout procedure.

1. Turn tractor load/depth control fully counterclockwise (A) (depth control position).

RW21226


A-Load/Depth Control

OUO6085,0000299 -19-01DEC04-1/5


causym CAUTION: To prevent possible injury, use ONLY hitch control lever (A) when attaching implements. DO NOT use raise/lower switch (B).

2. Back up tractor to mower-conditioner until hitch points are in alignment.

3. Disengage the PTO, place transmission in "PARK", apply handbrake, shut off engine and remove ignition key.


A-Hitch Control Lever
B-Raise/Lower Switch

E41376

OUO6085,0000299 -19-01DEC04-2/5


4. Equal Angle Tongue With Ball Hitch:

a. Attach mower-conditioner to tractor drawbar and install quick-lock pin (A).

Install safety chain (B). Leave only required chain slack to allow turns.

NOTE: See your particular tractor Operator's Manual for correct routing and attachment of safety chain.

Fully raise the tractor draft links. Make sure that tractor draft links will not interfere with the mower-conditioner tongue and transmission.

E53675

Attach Equal Angle Hitch to Tractor


A-Quick-Lock Pin
B-Safety Chain

OUO6085,0000299 -19-01DEC04-3/5


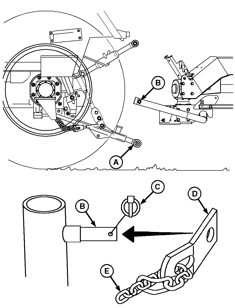
b. Equal Angle Tongue With Clevis Hitch:

Attach mower-conditioner to tractor drawbar and install hitch pin (A).

Fasten hitch pin with hitch pin retainer (B). Fasten retainer with quick-lock pin (C).

Install safety chain (D). Place chain through hole and around casting, through safety ring, and attach to tractor. Leave only required chain slack to allow turns.

NOTE: See your particular tractor Operator's Manual for correct routing and attachment of safety chain.

Fully raise the tractor draft links. Make sure that tractor draft links will not interfere with the mower-conditioner tongue and transmission.

E53884


A-Hitch Pin
B-Hitch Pin Retainer
C-Safety Chain

OUO6085,0000299 -19-01DEC04-4/5


c. Swivel hitch only:

Slide hitch downstop chain anchor (D) over one of the two lower hitch pins (B) as shown, then connect the two draft links (A) to lower hitch pins (B) and secure by means of quick lock pins (C).

Start tractor engine.

Slowly pull hitch control lever (F) to raise mower-conditioner hitch. Check for interference. Lower hitch to ground and adjust if necessary.

Raise hitch until main PTO driveline is just over horizontal position.

Attach one of the chain links to the tractor so that the chain (E) is just loose while the PTO driveline is in horizontal position.

IMPORTANT: Failure to attach hitch downstop chain may result in driveline separation/damage.

Always operate machine with PTO driveline leveled. Never operate machine with hitch fully raised or lowered. Failure to do so may cause damage to the tractor and mower-conditioner.

Adjust lift links and lateral float. (See procedures in operator's manual of tractor.)


A-Draft Links
B-Lower Hitch Pins
C-Quick Lock Pins
D-Chain Anchor
E-Chain
F-Hitch Control Lever
G-Depth Stop Knob

E53746
CC1020975

OUO6085,0000299 -19-01DEC04-5/5