Hydraulic System Diagram

E52579


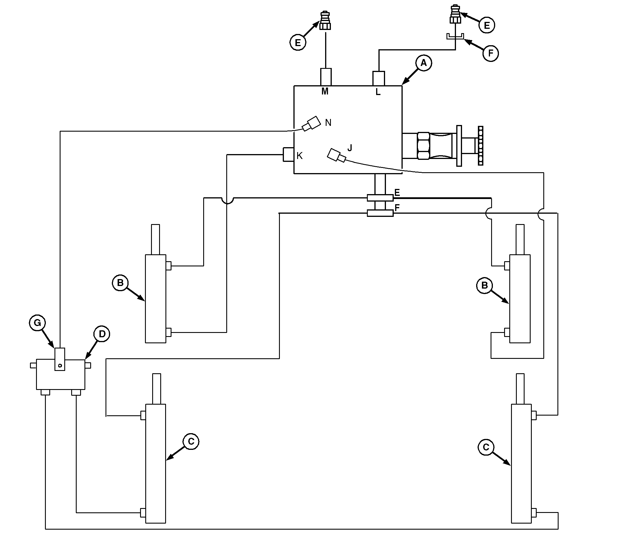
A-Tensioning Valve
B-Tension Cylinders


C-Gate Cylinders
D-Gate Lock Valve


E-To Tractor SCV Ports
F-Orifice (Stamped 358)


G-Flow Restrictor Valve (Optional)

John Deere 468, 468S, and 568 Balers have a hydraulic system that controls bale tension and operates the gate. This hydraulic system is powered by the tractor.

The hydraulic system uses four major components:

  • Tensioning valve (A)-Used to direct oil flow, check flow, and limit hydraulic pressures.
  • Tensioning (double-acting) cylinders (B)-Used to control bale tensioning.
  • Gate (double-acting) cylinders (C)-Used to raise and lower the gate.
  • Gate lock valve (D)-A two-position spool valve used to block flow of oil, both to and from the base ports of gate cylinders (C).
  • Optional flow restrictor valve (G)-Used if baler is equipped with net wrap system and/or push bar.

OUO6085,000049C -19-17MAY06-1/1