Removing Air Cleaner Filters (9450 Combines)

IMPORTANT: When servicing filters, turn off engine, remove key and set parking brake so dirt cannot be pulled into engine.

Service filters only when engine air filter light stays on.

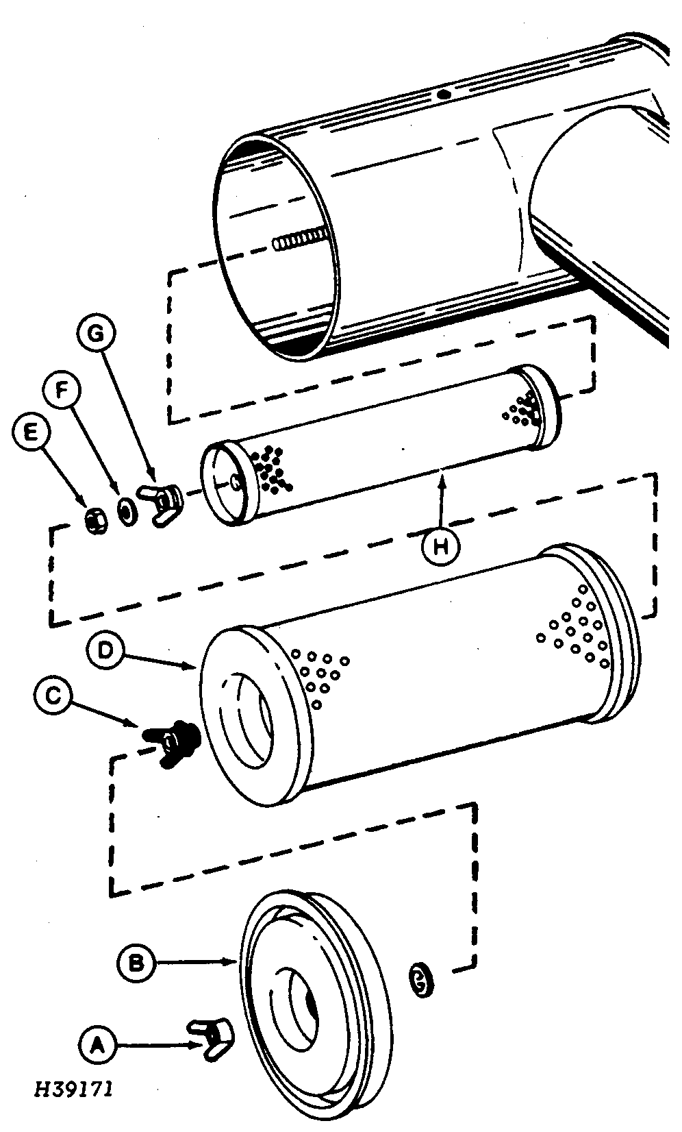
Remove wing nut (A) and dust cover (B).

Remove screw (C) and pull out primary filter (D). The safety filter stops dirt that would pass through a damaged primary filter.

Clean, wash or replace the primary filter. Do not clean or wash the safety filter (H), but install a new one if needed. Do not remove the metal wrap on the filter.

IMPORTANT: Never run the engine without both filters in place.

Check all connections in the air intake system. Be certain they are tight.

IMPORTANT: Do not use any exhaust flow cleaning unit to blow chaff off combine. Using such a unit can cause air filter failure, followed by engine failure.


A-Wing Nut
B-Dust Cover
C-Wing Screw
D-Primary Filter
E-Nut
F-Washer
G-Wing Nut
H-Safety Filter

H39171

HX,AG,SF7105 -19-02MAR99-1/1